EasyManua.ls Logo

Nissan ENGINE - Cylinder Head Service

Nissan ENGINE
139 pages
Print Icon
To Next Page IconTo Next Page
To Next Page IconTo Next Page
To Previous Page IconTo Previous Page
To Previous Page IconTo Previous Page
Loading...
EM-88
< REMOVAL AND INSTALLATION >
[VQ40DE]
CYLINDER HEAD
CYLINDER HEAD
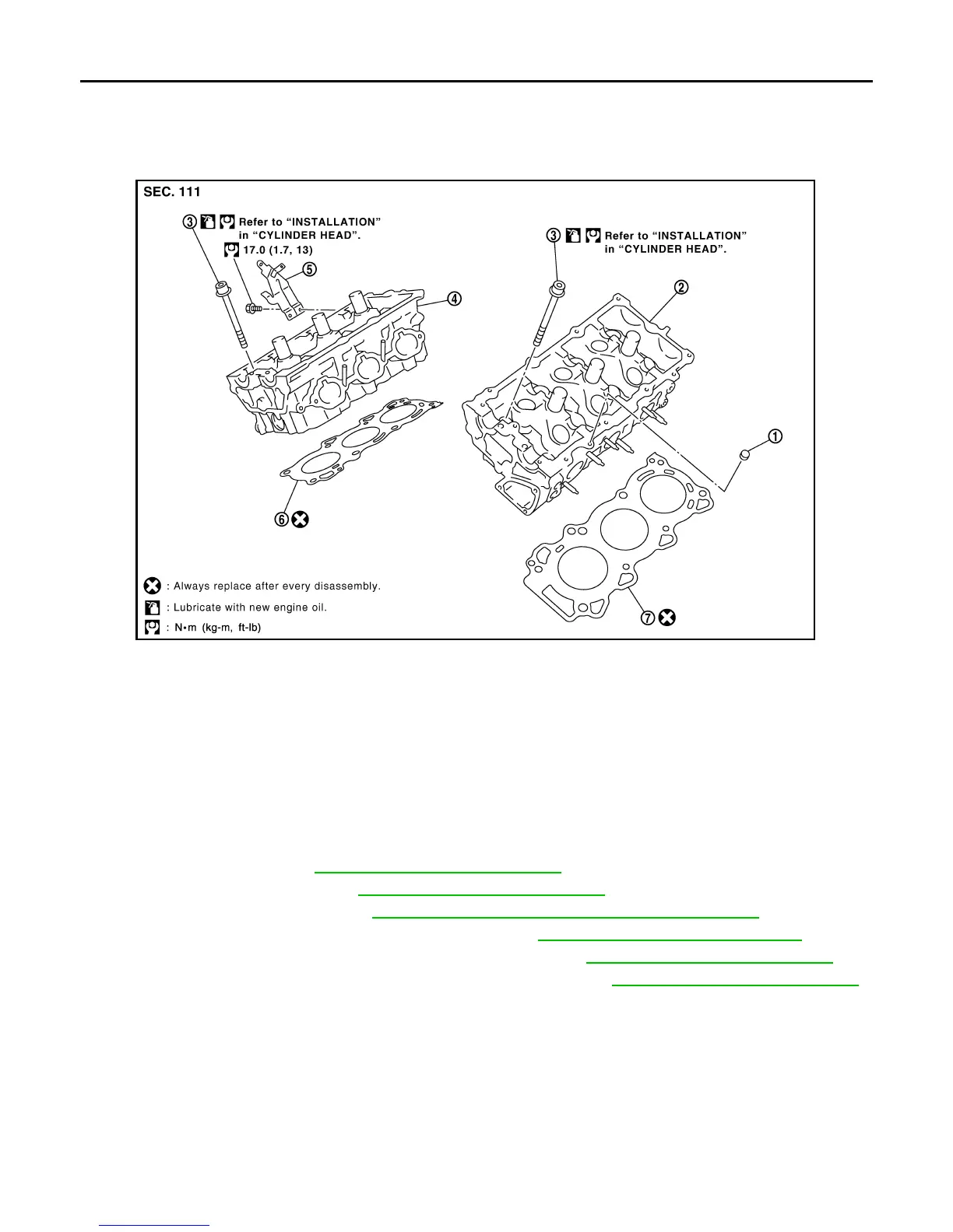
Exploded View INFOID:0000000008798996
Removal and Installation INFOID:0000000008798997
NOTE:
When removing components such as hoses, tubes/lines, etc., cap or plug openings to prevent fluid from spill-
ing.
REMOVAL
1. Remove camshaft. Refer to EM-76, "Removal and Installation".
2. Remove intake manifold. Refer to EM-28, "Removal and Installation"
.
3. Remove exhaust manifold. Refer to EM-31, "Removal and Installation (Exhaust Manifold)"
.
4. Remove front final drive assembly (4WD models). Refer to DLN-166, "Removal and Installation"
.
5. Remove water inlet and thermostat assembly (left bank). Refer to CO-26, "Removal and Installation"
.
6. Remove water outlet, water pipe and heater pipe (left bank). Refer to CO-28, "Removal and Installation"
.
1. Rubber plug 2. Cylinder head (left bank) 3. Cylinder head bolt
4. Cylinder head (right bank) 5. Harness bracket 6. Cylinder head gasket (right bank)
7. Cylinder head gasket (left bank)
PBIC2934E
Revision: January 2013 2013 Xterra

Related product manuals