EasyManua.ls Logo

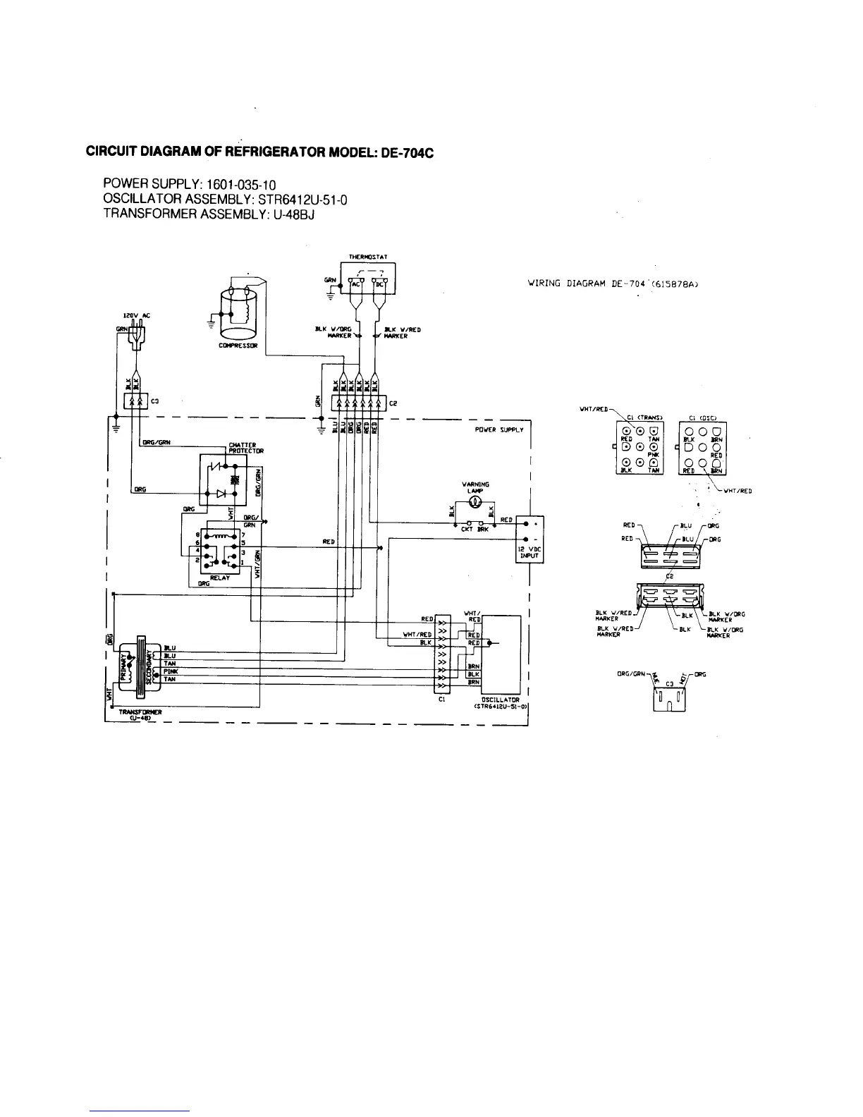
Norcold DE 728 - CIRCUIT DIAGRAM: NORCOLD DE-704 C

Norcold DE 728
29 pages
Print Icon
To Next Page IconTo Next Page
To Next Page IconTo Next Page
To Previous Page IconTo Previous Page
To Previous Page IconTo Previous Page
Loading...
16

Related product manuals