EasyManua.ls Logo

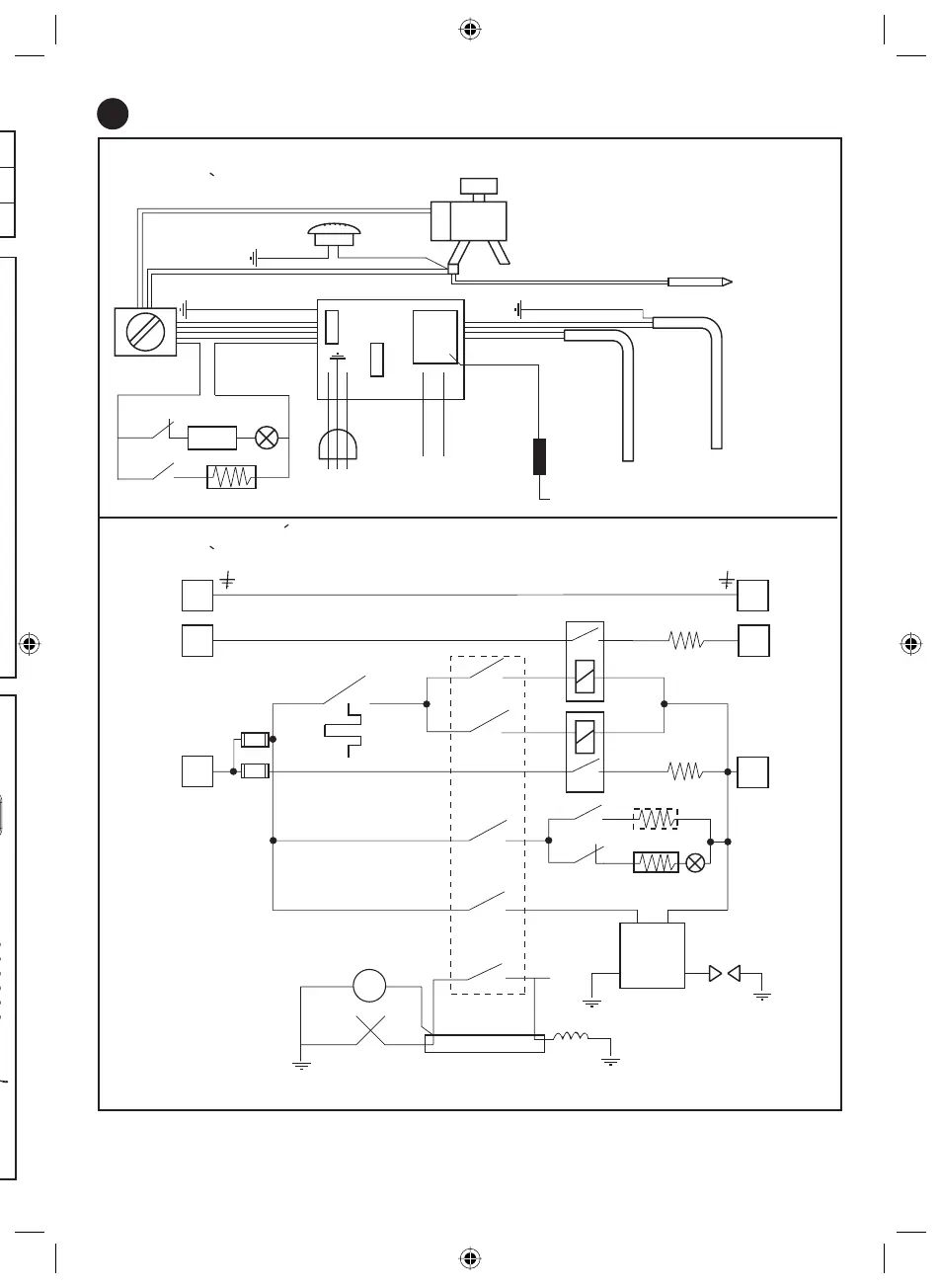
Norcold N145 - Wiring Pictorial; Wiring Diagram

Norcold N145
32 pages
Print Icon
To Next Page IconTo Next Page
To Next Page IconTo Next Page
To Previous Page IconTo Previous Page
To Previous Page IconTo Previous Page
Loading...
- 7 -- 7 -
-
6!#
6#!
6$#
6##
6$##/-
#/-6##
!#HEATER
ÏLEMENTCHAUFFANT#!
.
,
$#HEATER
ÏLEMENTCHAUFFANT##
SELECTORSWITCHSÏLECTEUR
THERMOSTAT
DIVIDERSWITCHCONNECTEUR
REEDSWITCH
CONNECTEUR
IGNITER
ALLUMEUR
ÏLECTRIQUE
RESISTOR
RÏSISTANCE
SPARKGAP
ÏCARTDÏLECTRODE
"
"
"
"
"
!
!
!
!
!
FUSE!
FUSIBLE!
FUSE!
FUSIBLE!
HEATERFOIL
7)2).'$)!'2!-3#(%-!$%#!",!'%
7)2).'0)#4/2)!,0,!.$%#!",!'%
FLAMEMETER
DÏTECTEURDEFLAMME
SPARK
ELECTRODE
THERMOCOUPLE
THERMOSTATGASSAFELYVALVE
THERMOSTATVANNEDESÏCURITÏDEGAZ
POWERCONNECTIONBOX
FUSE
!
FUSE
!
6!#POWERCORD
CORDONDALIMENTATION
6#!
6$#HEATER
ÏLEMENTCHAUFFANT
6##
6!#HEATER
ÏLEMENTCHAUFFANT
6#!
IGNITER
ALLUM
ÏLECTR
6$#
6##
SELECTORSWITCH
SÏLECTEUR
REEDSWITCH
CONNECTEUR
DIVIDERSWITCHCONNECTEUR
LAMP
LUMMIÒRE
RESISTOR
RÏSISTANCE
DIVIDERHEATERFOIL

THERMOCOUPLEINTERRUPTER
DISJONCTEURATHERMOCOUPLE
INTERRUPTERDISJONCTEUR
REDROUGE
REDROUGE
REDROUGE
REDROUGE
RED
ROUGE
BLUEBLEU
YELLOWGREENJAUNEVERT
BLACKNOIR
BLACKNOIR
YELLOWJAUNEX
BLACKNOIR
YELLOWGREENJAUNEVERT
BLACK
NOIR
WHITE
BLANC
BLACK
NOIR
GREENVERT
-/$%,-/$%,%..490%5%
-/$%,-/$%,%..490%5%
15

Related product manuals