EasyManua.ls Logo

Norsup P13V/32 - Zwembad Warmtepompen Plaats; Hoe Dicht Bij Uw Zwembad

Norsup P13V/32
273 pages
Print Icon
To Next Page IconTo Next Page
To Next Page IconTo Next Page
To Previous Page IconTo Previous Page
To Previous Page IconTo Previous Page
Loading...
3. INSTALLATIE EN AANSLUITING
3.2 Zwembad Warmtepompen Plaats
De unit apparaat zal goed presteren op elke plaats buiten, op voorwaarde dat de volgende drie
factoren aanwezig zijn:
1. Frisse lucht - 2. Elektriciteit - 3. Leidingen voor zwembadfilter
De unit kan vrijwel overal buitenshuis worden geïnstalleerd. Voor binnenzwembaden, neem
contact op met de leverancier. In tegenstelling tot een gasverwarming heeft het geen tocht- of
waakvlamprobleem in een winderig gebied.
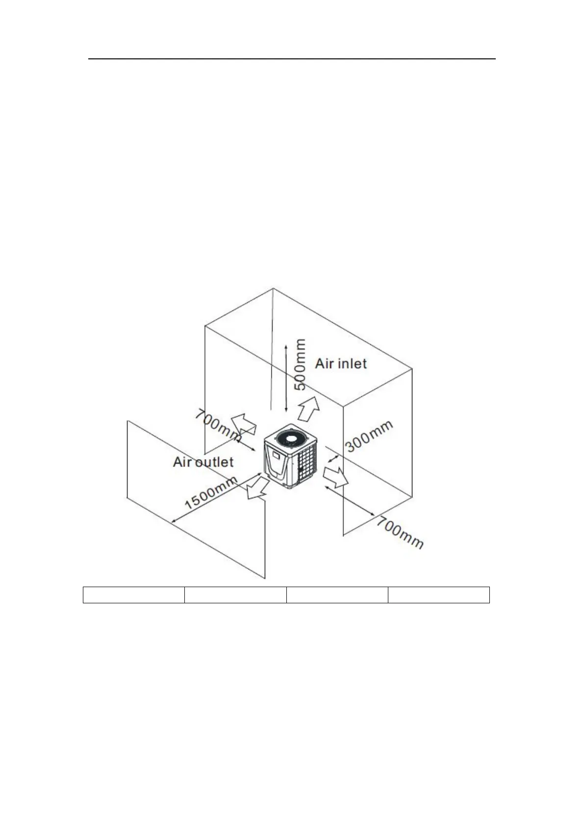
Plaats de unit NIET in een afgesloten ruimte met een beperkt luchtvolume, waar de lucht uit de
units wordt gerecirculeerd.
Plaats de unit NIET in struikenplanten welke de luchtinlaat kunnen belemmeren. Deze plaatsen
verhinderen de unit om continue verse lucht toe te voeren, waardoor deze minder efficiënt wordt
en mogelijk onvoldoende warmte wordt afgegeven.
Air inlet
Luchtinlaat
Air outlet
Luchtuitlaat
3.3 Hoe dicht bij uw zwembad?
Normaal gesproken wordt de zwembadwarmtepomp binnen 7,5 meter van het zwembad
geïnstalleerd. Hoe langer de afstand tot het zwembad, hoe groter het warmteverlies van de
leidingen. De leidingen zijn grotendeels begraven. Daarom is het warmteverlies minimaal voor
runs tot 15 meter (15 meter van en naar de pomp = 30 meter totaal), tenzij de grond nat is of het
waterpeil hoog is. Een zeer ruwe schatting van warmteverlies per 30 meter is 0,6 kW-uur (2000
BTU) voor elk 5 5 temperatuurverschil tussen het zwembadwater en de grond rondom de pijp, wat
zich vertaalt in een toename van de bedrijfstijd met ongeveer 3% tot 5% .

Table of Contents

Related product manuals