EasyManua.ls Logo

Norsup P13V/32 - Page 265

Norsup P13V/32
273 pages
Print Icon
To Next Page IconTo Next Page
To Next Page IconTo Next Page
To Previous Page IconTo Previous Page
To Previous Page IconTo Previous Page
Loading...
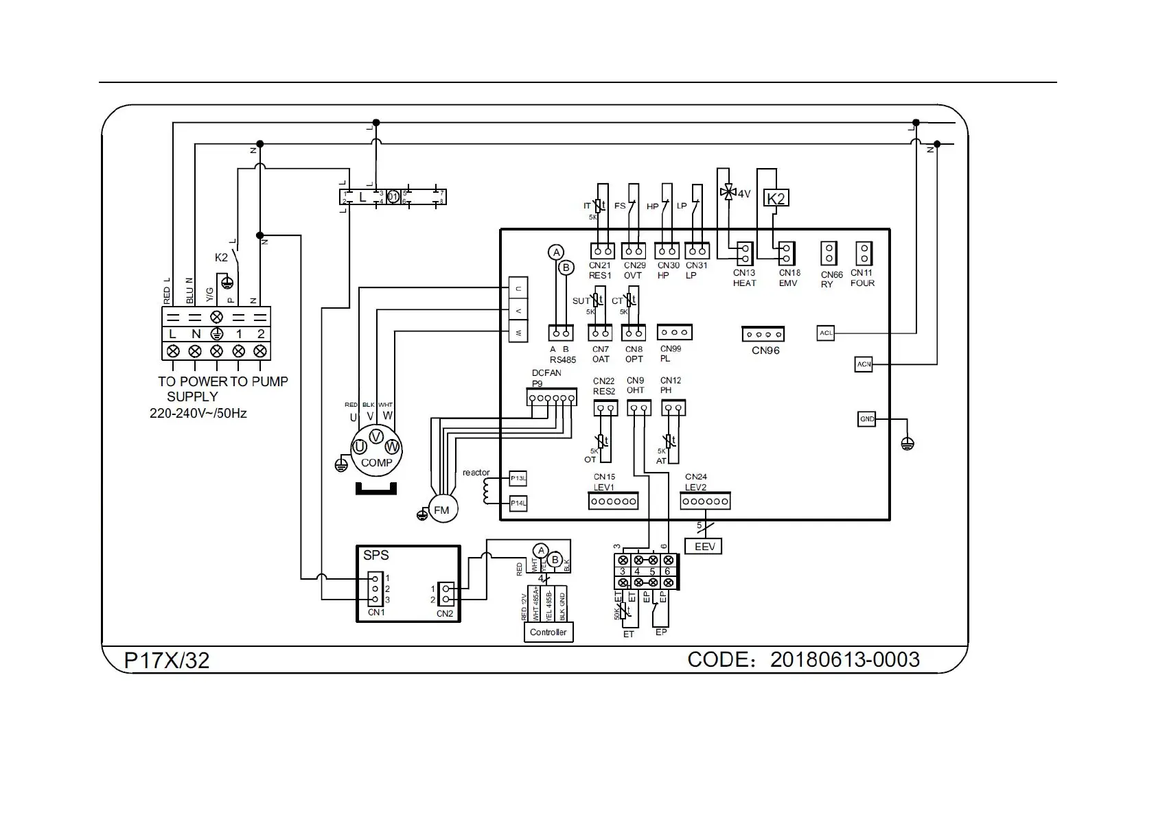
6.APPENDIX
AT: Omgivande temperatur:
COMP: Kompressor
CT: Kyl temperatur
EEV: Elektronisk expansionsventil
EP: Avgasskydd
ET: Avgasstemperatur
FM: Fläktmotor
FS: Flödesbrytare
HP: Högtrycksskydd
IT: Inloppsvattentemperatur
LP: Lågtrycksskydd
OT: Utloppsvattentemperatur
SPS: Switchade nätaggregat
4V: 4-vägsventil

Table of Contents

Related product manuals