EasyManua.ls Logo

Norsup P13V/32 - Page 83

Norsup P13V/32
273 pages
Print Icon
To Next Page IconTo Next Page
To Next Page IconTo Next Page
To Previous Page IconTo Previous Page
To Previous Page IconTo Previous Page
Loading...
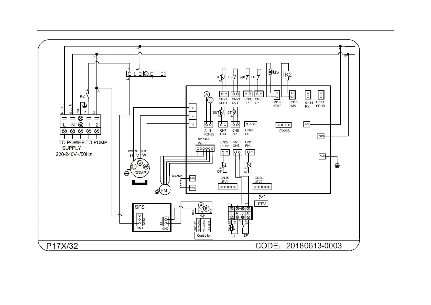
6. SPECIFIKATION
AT: omgivelsestemperatur
COMP: kompressor
CT: spoletemperatur
EEV: elektronisk
ekspansionsventil
EP: Udledningsbeskyttelse
ET: udledningstemperatur
FM: ventilatormotor
FS: gennemstrømningskontakt
HP: højtryksbeskyttelse
IT: indløbsvandtemperatur
LP: lavtryksbeskyttelse
OT: udløbsvandtemperatur
SPS: Switch-strømforsyning
4V: 4-vejsventil

Table of Contents

Related product manuals