EasyManua.ls Logo

Norton 16H - Data

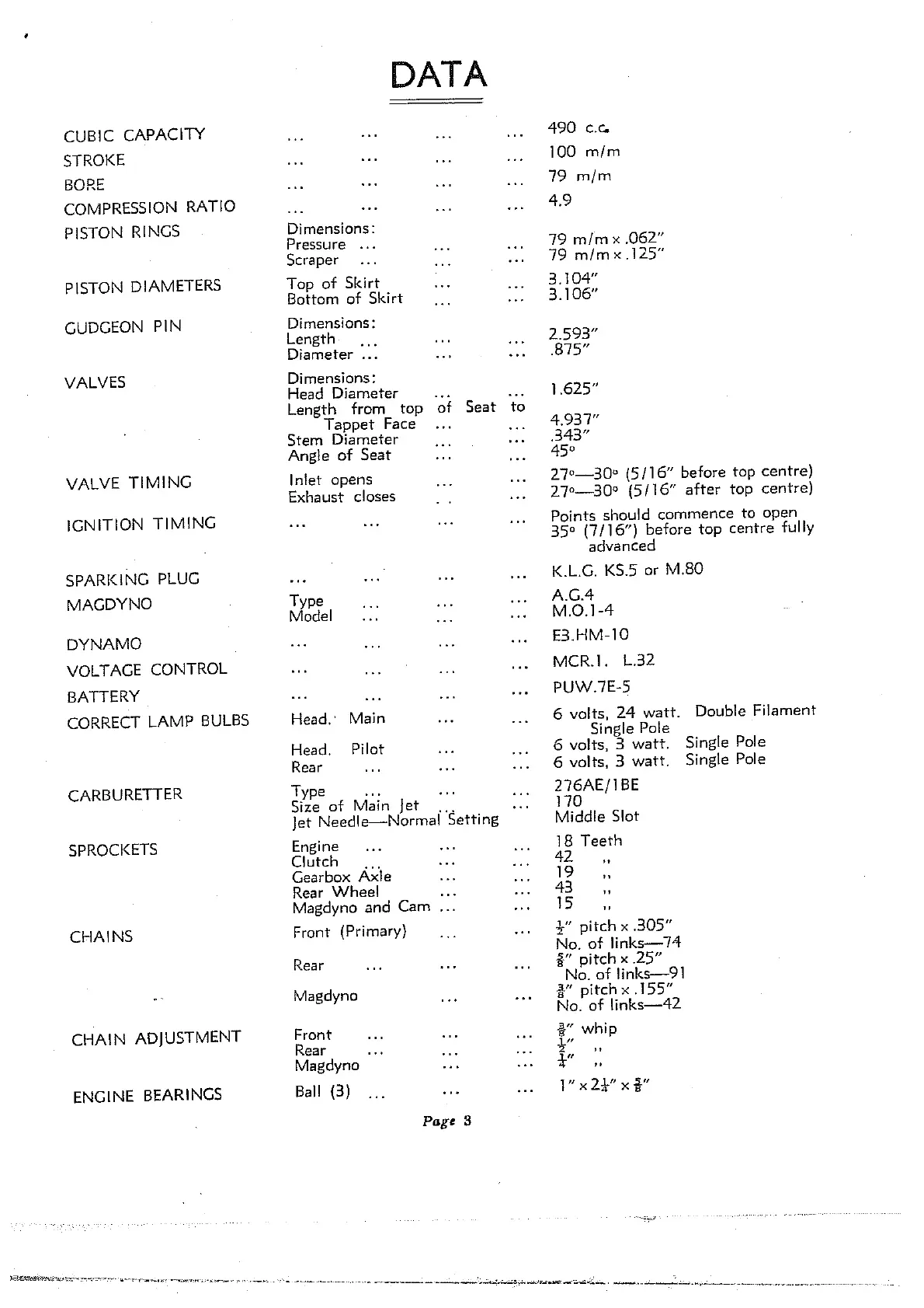
Norton 16H
69 pages
Print Icon
To Next Page IconTo Next Page
To Next Page IconTo Next Page
To Previous Page IconTo Previous Page
To Previous Page IconTo Previous Page
Loading...
By courtesy of WWW.WDNORTON.NL

Table of Contents

Related product manuals