EasyManua.ls Logo

Nuvo Stereo System - NV-MI1 Mute Interrupt Adapter

Nuvo Stereo System
64 pages
Print Icon
To Next Page IconTo Next Page
To Next Page IconTo Next Page
To Previous Page IconTo Previous Page
To Previous Page IconTo Previous Page
Loading...
49
MUTE INTERFACE
ADAPTER
NV-MI1
CONNECT TO
MUTE INPUT
A
B
A
B
DOORBELL 1
DOORBELL 2
Connect to Telephone RJ-11
Line 1: Pins 3,4 Line 2: Pins 2,5
Model NV-MI1
Mute Interface Module
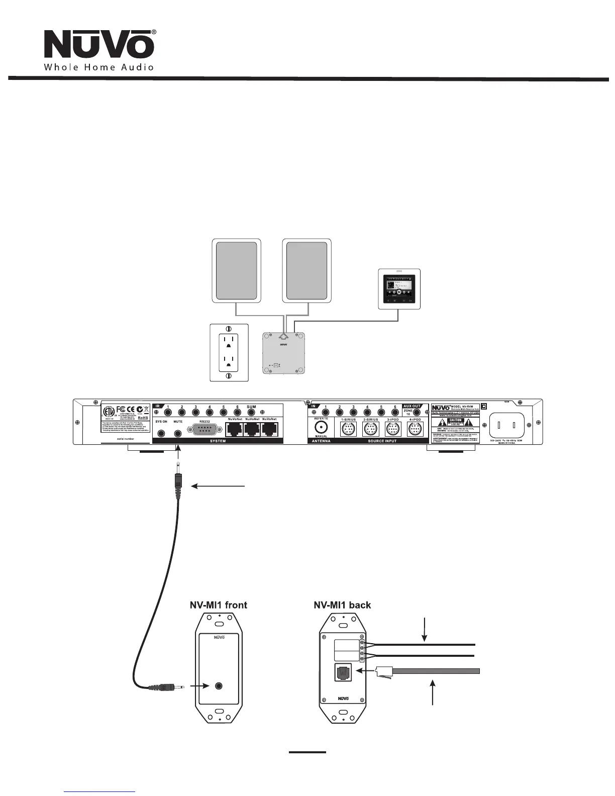
The NuVo NV-MI1 Mute Interface Module is designed to automatically mute any audio playing through the System’s speakers when the telephone or
doorbell rings.
The MI1 connects to the Main Source Hub using a standard
mono patch cable with a mini-plug on each end. Plug one
end into the EXT. MUTE input on the back of the amplifier
and the other end into the input on the front of the MI1.
The back of the MI1 will accept up to two AC or
DC voltages from two different doorbell chimes.
This connection is done with two conductor wire
from the terminals on the doorbell chime to the
Doorbell A or Doorbell B inputs on the back of the
MI1. Polarity is not important for this connection.
Up to two phone lines can be brought into the
RJ11 connection on the back of the MI1. The
voltage from the phone ringer will trigger the
NuVo System to mute.
9.2 NV-MI1 Mute Interrupt Adaptor (as shown in Fig. 82)
The Mute Interface is used in conjunction with System Mute input on the back of the Renovia Main Source Hub. It acts as relay for a voltage from up
to two phone lines and two doorbell transformers. When a voltage is presented to the MI1, it sends a contact closure to the Renovia System, which
causes the system to mute momentarily. This is useful in allowing the telephone or doorbell to be heard when audio is playing in any of the zones.
Fig. 82
TOP
1
2
3
4
2
5
1
6
1
7
1
0
9
8
1
Model NV-RVZA50
RENOVIA Zone Amp 50 Watt
AUDIO STREAM
CONTROL
ZONE
RST
PWR

Table of Contents

Related product manuals