EasyManua.ls Logo

Nvidia TESLA K40 - Power Connectors

Nvidia TESLA K40
21 pages
Print Icon
To Next Page IconTo Next Page
To Next Page IconTo Next Page
To Previous Page IconTo Previous Page
To Previous Page IconTo Previous Page
Loading...
Mechanical Specifications
Tesla K40 GPU Accelerator BD-06902-001_v05 | 10
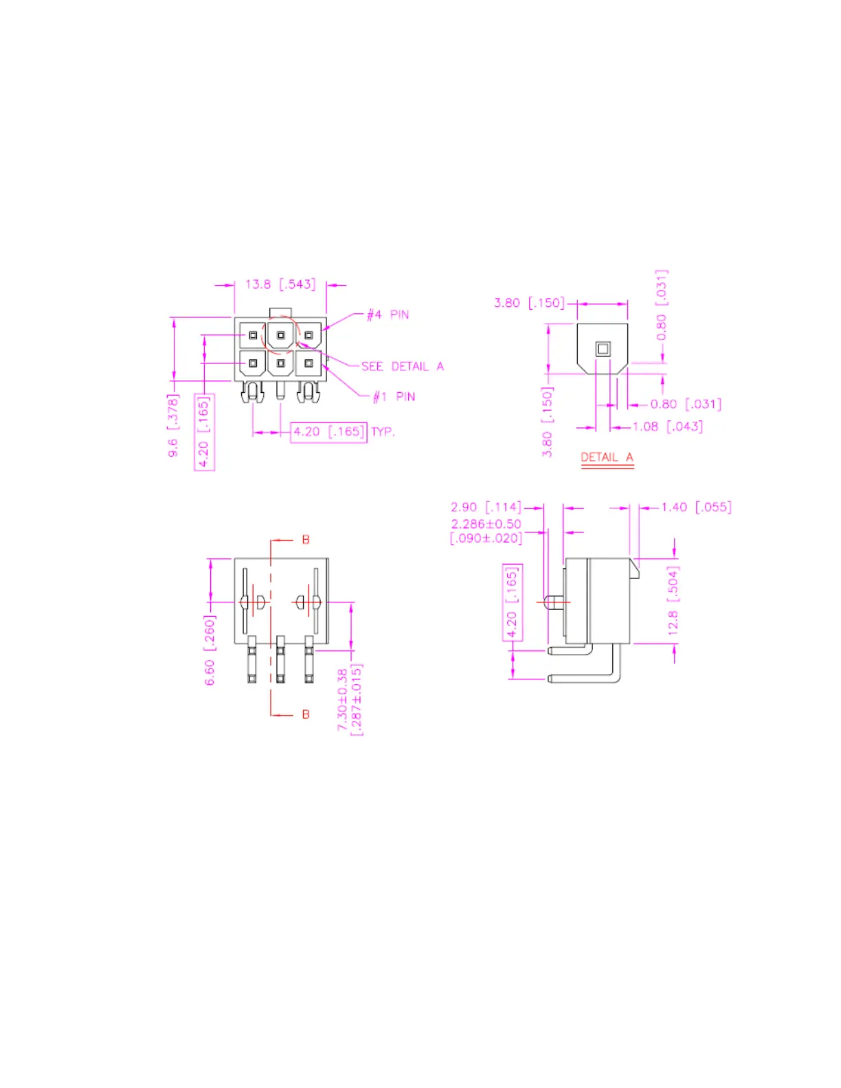
POWER CONNECTORS
The Tesla K40 GPU accelerator is a performance optimized, high-end product and uses
power from the PCI Express connector as well as external power connectors.
Figure 5 and Figure 6 show the specifications and Table 4 and Table 5 show the pinouts
for the 6-pin and 8-pin PCI Express power connectors.
Figure 5. 6-Pin PCI Express Power Connector

Related product manuals