EasyManua.ls Logo

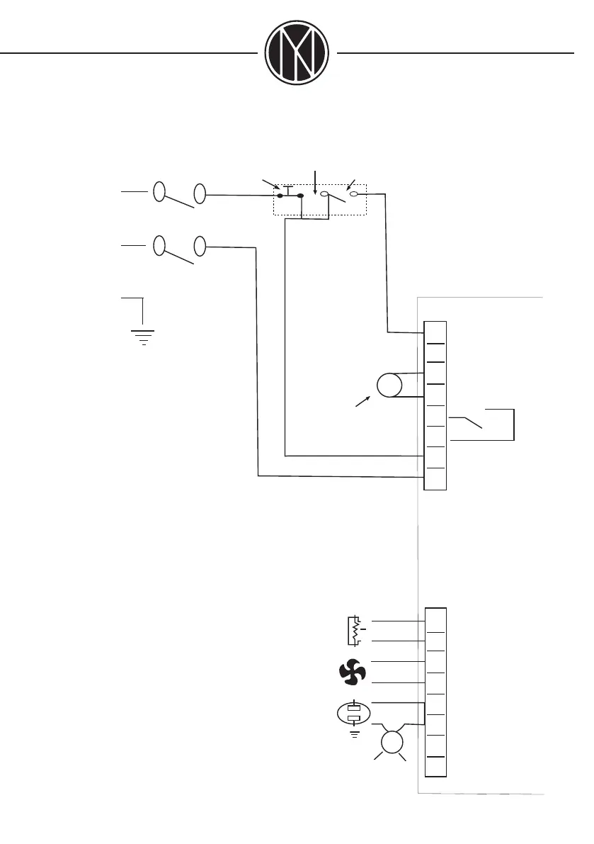
NyMo 200 - Wiring diagram NyMo 200 - 150; Electrical Connections Overview

Default Icon
12 pages
Print Icon
To Next Page IconTo Next Page
To Next Page IconTo Next Page
To Previous Page IconTo Previous Page
To Previous Page IconTo Previous Page
Loading...
9

1 2 3 4 5 6 7 8
1 2 3 4 5 6 7 8





















