EasyManua.ls Logo

ODES WORKCROSS UTV650 - Page 133

Default Icon
231 pages
Print Icon
To Next Page IconTo Next Page
To Next Page IconTo Next Page
To Previous Page IconTo Previous Page
To Previous Page IconTo Previous Page
Loading...
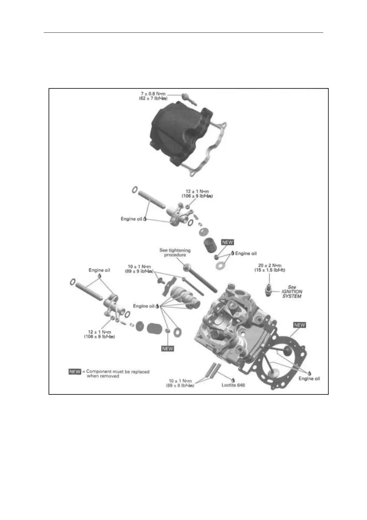
8.ENGINE
8-32
TOP END
SERVICE TOOLS