EasyManua.ls Logo

OLYS B2B1230 - Specific Connection Examples; BS Series Specific Models Wiring; B2 B Series Specific Models Wiring

OLYS B2B1230
10 pages
Print Icon
To Next Page IconTo Next Page
To Next Page IconTo Next Page
To Previous Page IconTo Previous Page
To Previous Page IconTo Previous Page
Loading...
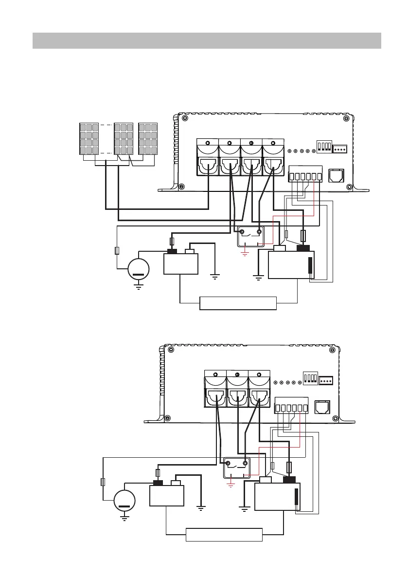
BS series
Only for
BS123020/BS126030/BS126045
+ + +-
Displ ay
T
T
T
R
Ss
Ss
D+
Battery typ e
+ - +
-
+
-
+ -
-
+
D+
+-
Relay
ON
1 2 3 4
Bluet oot h
B2 B series
Only for
B2B1230/ B2B1260
12V
12V
Solar
Panels
Start
COM
Bord
Bord
Chargin g stage
Charge
Start
Solar
Connection
Ground
Vehicle chassis
Alternator
Fuse
5 A
Fuse
START
G
Ground
Vehicle chassis
Ground
Vehicle chassis
Ground
Vehicle chassis
Temperature
Sensor
Fuse
Fuse
5 A
BOARD
+ +-
Displ ay
T
T
T
R
Ss
Ss
D+
Battery typ e
+ -
-
+
D+
+-
Relay
ON
1 2 3 4
Bluet oot h
12V
12V
Start
COM
Bord
Bord
Chargin g stage
Charge
Start
Solar
Ground
Vehicle chassis
Alternator
Fuse
5 A
Fuse
START
G
Ground
Vehicle chassis
Ground
Vehicle chassis
Ground
Vehicle chassis
Temperature
Sensor
Fuse
Fuse
5 A
BOARD