EasyManua.ls Logo

Omnitronic EX-530 - Page 8

Omnitronic EX-530
17 pages
Print Icon
To Next Page IconTo Next Page
To Next Page IconTo Next Page
To Previous Page IconTo Previous Page
To Previous Page IconTo Previous Page
Loading...
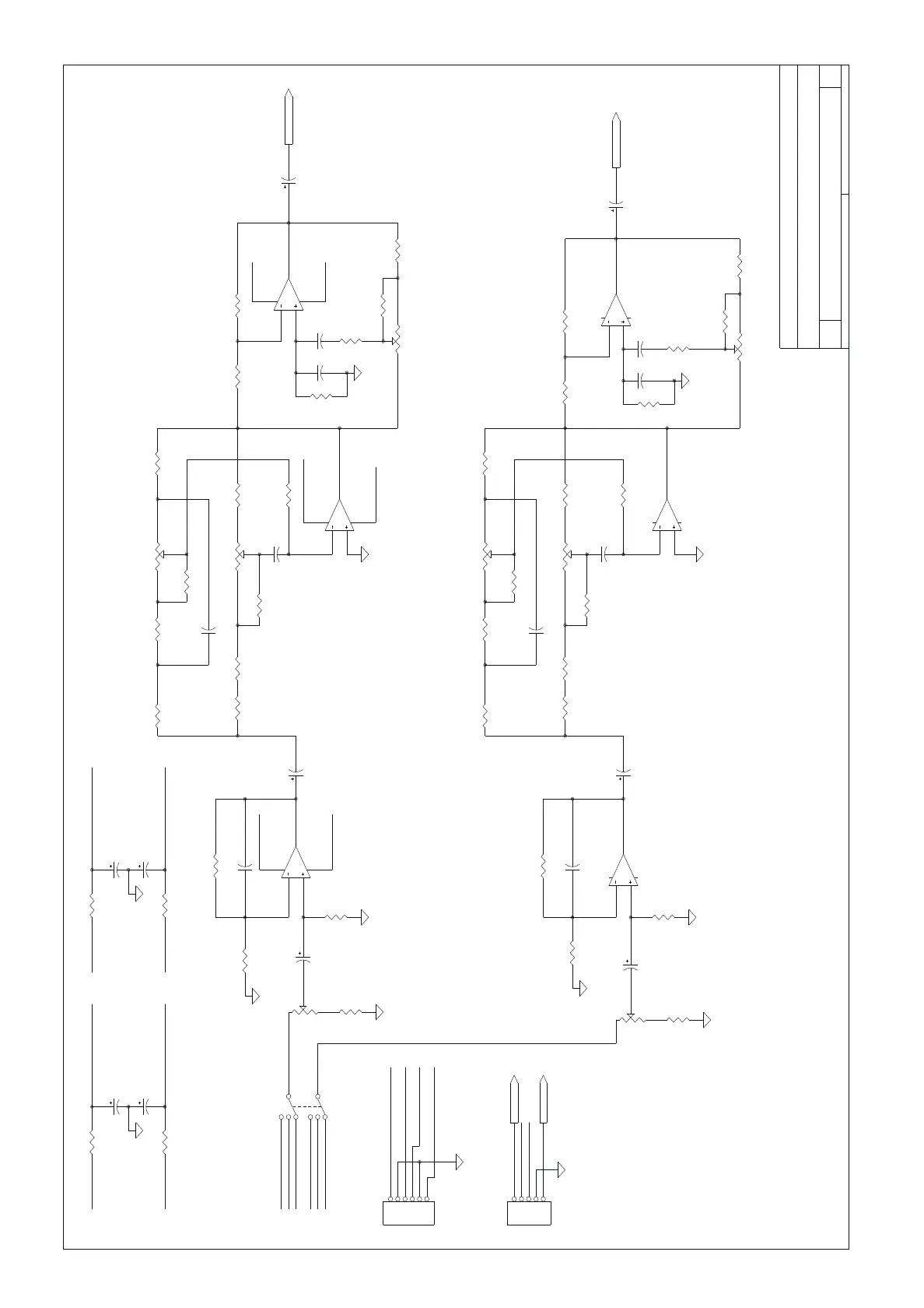
Date: March 9, 2000 Sheet 7 of
Size Document Number REV
B CH2.SCH A
Title
EX530 CH2 TONE
OMNITRONIC
R319
100
VR302A
50KB BASSR396
8.2K
R318
100
+VPP2
R324
100 1/4W
C319
47uF/16V
C419
47uF/16V
R424
100 1/4W
+VPP1 +12V+12V
C309
47uF/16V
C409
47uF/16V
R312
100
R412
100
-12V -VPP1 -12V
R309
5.1K
-VPP2
R310
12K
C308
10pF
R391
100
R392
6.8K
VR303A
50KB TREBLE
R397
51K
C314
0.047UF
R321
68K
R348
10k
R393
100
-VPP2
R349
10k
AIN2_L
C320
10uF/25V
+VPP2
3
2
1
8
4
IC306A
4558
R322
13K
C317
0.056uF
-VPP2
R320
68K
R323
13K
C318
0.0027uF
3
2
1
8
4
IC304A
4558
C316
.0039UF
C312
10uF/25V
-VPP1
+VPP1
3
2
1
8
4
IC302A
4558
R347
47K
L2_IN
R2_IN
VR301A
10KB
GAIN
R346
1.2K
C307
4.7uF/50V
LINE2_L
LINE2_R
MIC_2
MIC_2
PHONO2_L
PHONE2_R
SW302
SW 3P3T
PHONO2_R
LINE2_L
LINE2_R
1
2
3
4
5
6
P6
HEADER 6
PHONO2_L
+VPP2
1
VR304A
50KB C.C
MID
R395
2.7K
R394 220K
2
3
R419
100
VR302B
50KB BASSR496
8.2K
R497
51KC414
0.47UF
R418
100
R410
12K
-12V
+12V
1
2
3
4
5
P9
HEADER 5
MIC_3
MIC_2
VR301B
10KB
GAIN
R409
5.1K
C407
4.7uF/50V
5
6
7
IC302B
4558
C408
10pF
C412
10uF/25V
R492
6.8K
R491
100
VR303B
50KB TREBLE
R421
68K
C416
.0039UF
R448
10k
R493
100
R420
68K
R423
13K
C418
0.0027uF
R449
10k
5
6
7
IC306B
4558
C417
0.056uF
AIN2_R
C420
10uF/25V
R495
2.7K
R494
220K
R422
13K
2
3
VR304B
50KB C.C
MID
1
5
6
7
IC304B
4558
R447
47K
R446
1.2K