EasyManua.ls Logo

Omron NT620C - Page 37

Omron NT620C
381 pages
Print Icon
To Next Page IconTo Next Page
To Next Page IconTo Next Page
To Previous Page IconTo Previous Page
To Previous Page IconTo Previous Page
Loading...

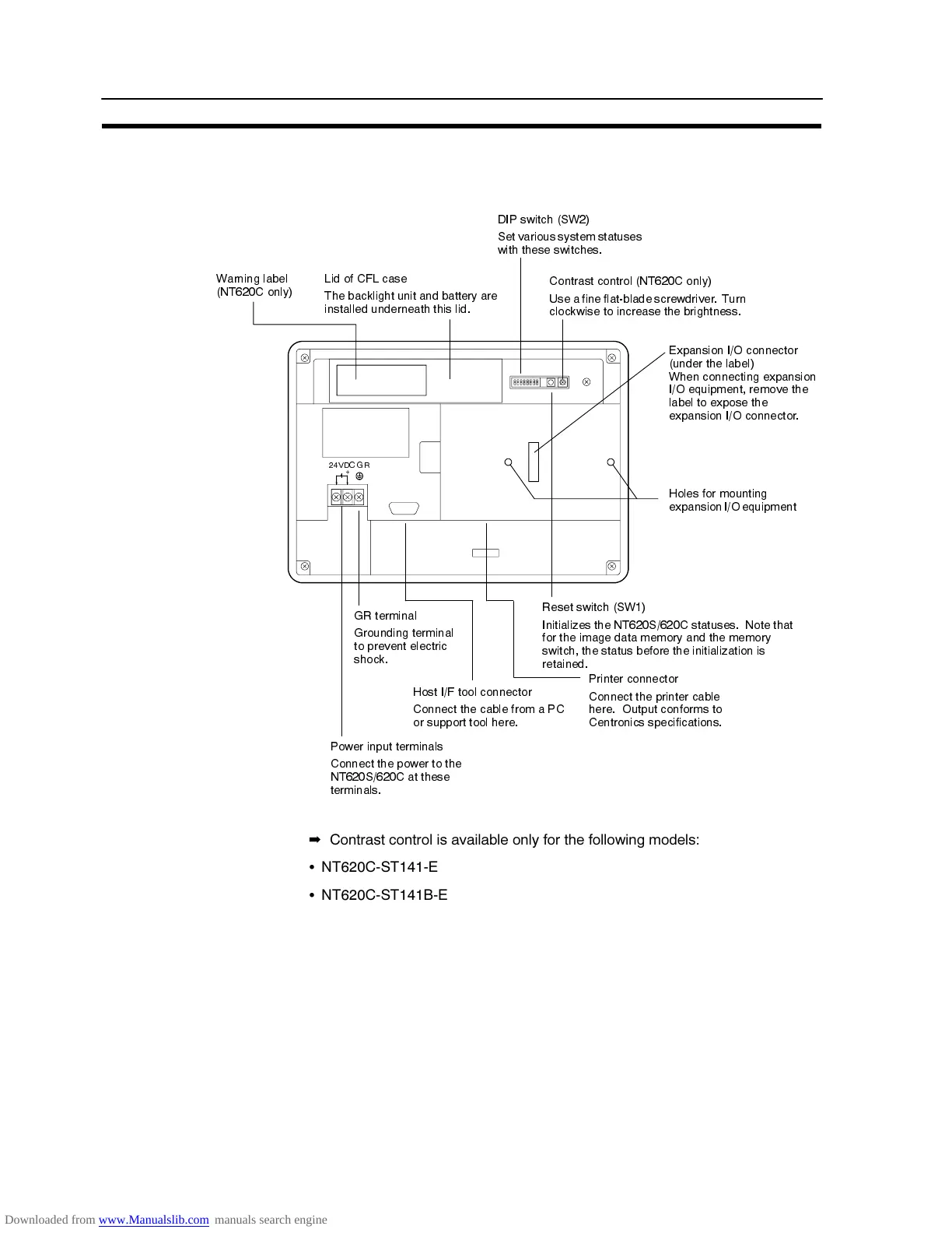
'HVFULSWLRQ RI 3DUWV DQG 6HWWLQJV
6HFWLRQ 
5HDU 9LHZ
/LG RI &)/ FDVH
7KH EDFNOLJKW XQLW DQG EDWWHU\ DUH
LQVWDOOHG XQGHUQHDWK WKLV OLG
&RQWUDVW FRQWURO 17& RQO\
8VH D ILQH IODWEODGH VFUHZGULYHU 7XUQ
FORFNZLVH WR LQFUHDVH WKH EULJKWQHVV
',3 VZLWFK 6:
6HW YDULRXV V\VWHP VWDWXVHV
ZLWK WKHVH VZLWFKHV
*5 WHUPLQDO
*URXQGLQJ WHUPLQDO
WR SUHYHQW HOHFWULF
VKRFN
5HVHW VZLWFK 6:
,QLWLDOL]HV WKH 176& VWDWXVHV 1RWH WKDW
IRU WKH LPDJH GDWD PHPRU\ DQG WKH PHPRU\
VZLWFK WKH VWDWXV EHIRUH WKH LQLWLDOL]DWLRQ LV
UHWDLQHG
+RVW ,) WRRO FRQQHFWRU
&RQQHFW WKH FDEOH IURP D 3&
RU VXSSRUW WRRO KHUH
3RZHU LQSXW WHUPLQDOV
&RQQHFW WKH SRZHU WR WKH
176& DW WKHVH
WHUPLQDOV
9'& *5
3ULQWHU FRQQHFWRU
&RQQHFW WKH SULQWHU FDEOH
KHUH 2XWSXW FRQIRUPV WR
&HQWURQLFV VSHFLILFDWLRQV
:DUQLQJ ODEHO
17& RQO\
([SDQVLRQ ,2 FRQQHFWRU
XQGHU WKH ODEHO
:KHQ FRQQHFWLQJ H[SDQVLRQ
,2 HTXLSPHQW UHPRYH WKH
ODEHO WR H[SRVH WKH
H[SDQVLRQ ,2 FRQQHFWRU
+ROHV IRU PRXQWLQJ
H[SDQVLRQ ,2HTXLSPHQW
&RQWUDVW FRQWURO LV DYDLODEOH RQO\ IRU WKH IROORZLQJ PRGHOV
: 17&67(
: 17&67%(

Related product manuals