EasyManua.ls Logo

Onan MCCK - Page 43

Onan MCCK
46 pages
Print Icon
To Next Page IconTo Next Page
To Next Page IconTo Next Page
To Previous Page IconTo Previous Page
To Previous Page IconTo Previous Page
Loading...
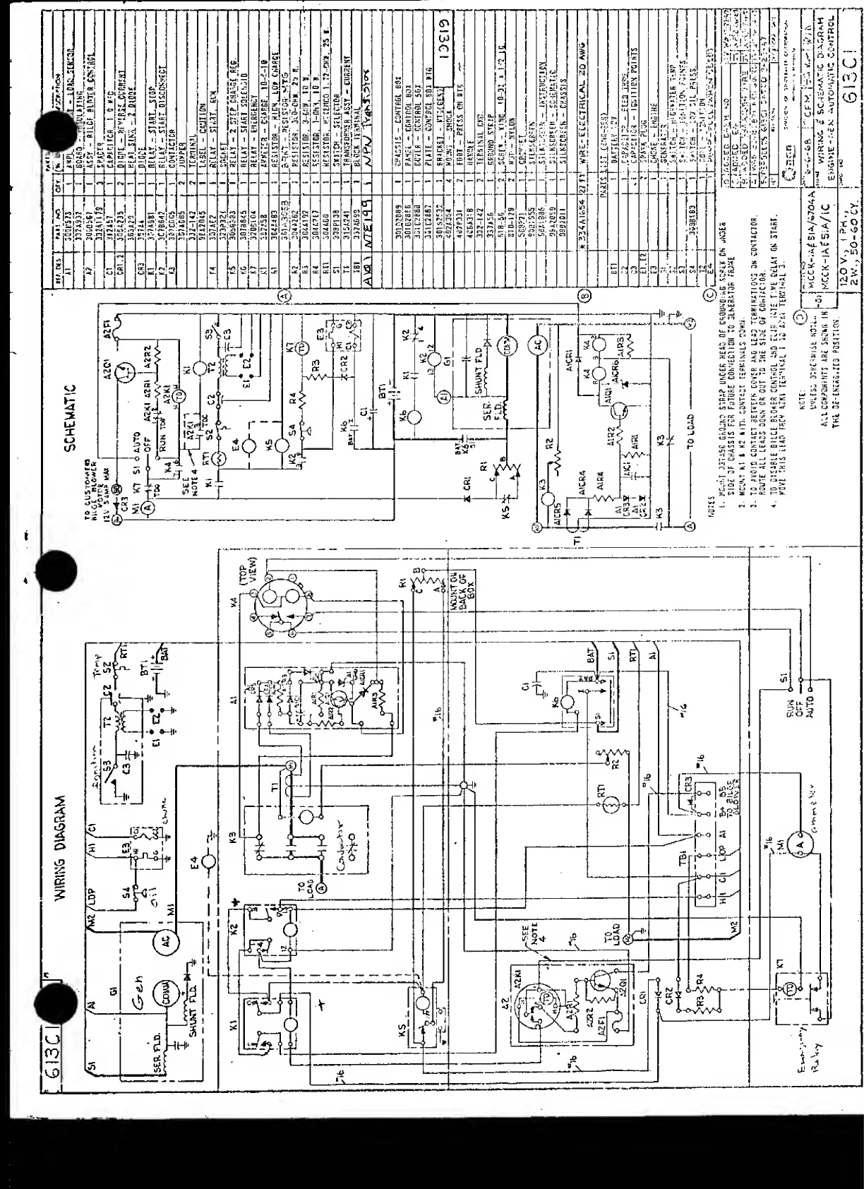
WIRING
DIMbRJM

Related product manuals