EasyManua.ls Logo

Onan MEP-003A - Page 42

Onan MEP-003A
163 pages
Print Icon
To Next Page IconTo Next Page
To Next Page IconTo Next Page
To Previous Page IconTo Previous Page
To Previous Page IconTo Previous Page
Loading...
TM5-6115-585-34
NAVFAC
P
-
8-262-12
TO
-
35C2-3-455-2
TM
-
05684C
-
34
-2
-3
Dan
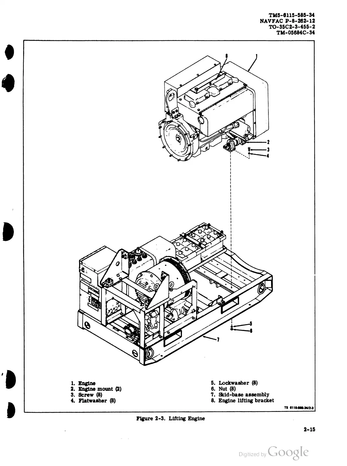
1.
Engine
2.
Engine
mount
(
2
)
3.
Screw
(
8
)
4.
Flatwasher
(
8
)
5.
Lockwasher
( 8 )
6.
Nut
( 8)
7.
Skid
-
base
assembly
8.
Engine
lifting
bracket
TS
6115-586-34
/
2-3
Figure
2-3
.
Lifting
Engine
2-15

Related product manuals