EasyManua.ls Logo

Onan MEP-003A - Page 44

Onan MEP-003A
163 pages
Print Icon
To Next Page IconTo Next Page
To Next Page IconTo Next Page
To Previous Page IconTo Previous Page
To Previous Page IconTo Previous Page
Loading...
/
-
-
-
--
TM5-6115-585
NAVFAC
P -
8-262
TO
-
35C2-3-455
TM
-
05684C
18
17
-16
-12
-13
10
11
9
2
-19
-14
-15
1
3
Ə
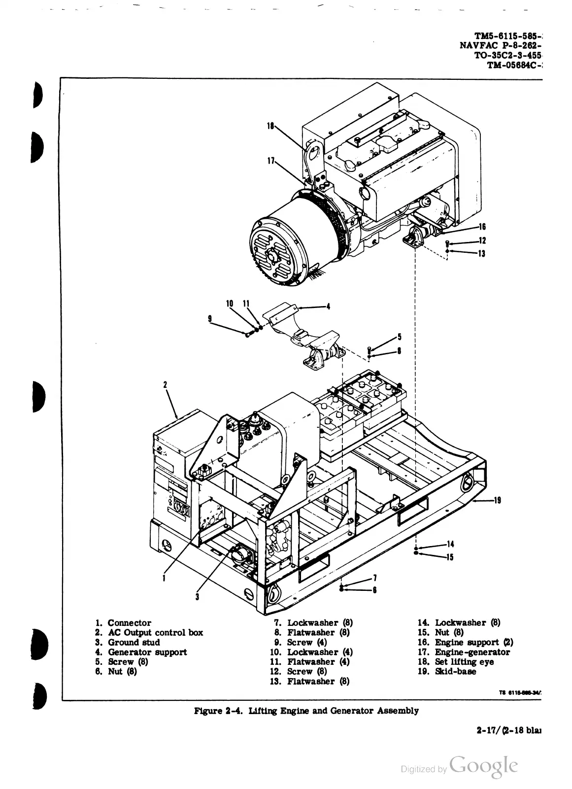
1.
Connector
2.
AC
Output
control
box
3.
Ground
stud
4.
Generator
support
5.
Screw
(
8 )
6.
Nut
(
8 )
7.
Lockwasher
( 8 )
8.
Flatwasher
(
8 )
9.
Screw
( 4 )
10.
Lockwasher
(
4)
11.
Flatwasher
(
4 )
12.
Screw
(
8 )
13.
Flatwasher
( 8 )
14.
Lockwasher
( 8 )
15.
Nut
( 8)
16.
Engine
support
( 2 )
17.
Engine
-
generator
18.
Set
lifting
eye
19.
Skid
-
base
TS
6115-585-34
/
Figure
2-4
.
Lifting
Engine
and
Generator
Assembly
2-17
/
12-18
blai

Related product manuals