EasyManua.ls Logo

Onan MEP-003A - Page 47

Onan MEP-003A
163 pages
Print Icon
To Next Page IconTo Next Page
To Next Page IconTo Next Page
To Previous Page IconTo Previous Page
To Previous Page IconTo Previous Page
Loading...
TM5-6115-585-34
NAVFAC
P
-
8-262-12
TO
-
35C2-3-455-2
TM
-
05684C
-
34
10
11
12
7
L -
1
)
Tat
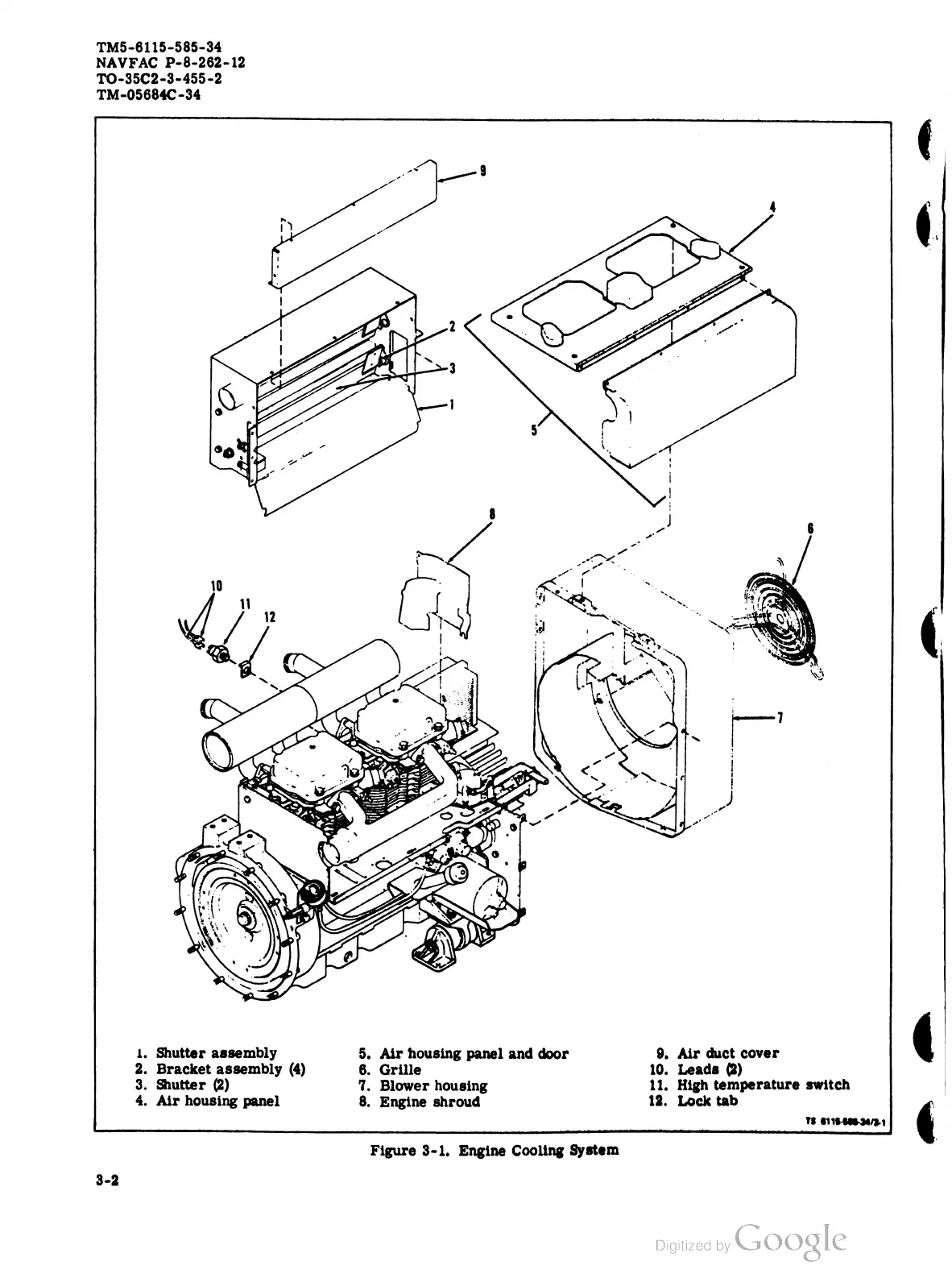
1.
Shutter
assembly
2.
Bracket
assembly
( 4 )
3.
Shutter
( 2 )
4.
Air
housing
panel
5.
Air
housing
panel
and
door
6.
Grille
7.
Blower
housing
8.
Engine
shroud
9.
Air
duct
cover
10.
Leads
(
2 )
11.
High
temperature
switch
12.
Lock
tab
TS
6116-586-94
/
3-1
Figure
3-1
.
Engine
Cooling
System
3-2

Related product manuals