EasyManua.ls Logo

Onkyo PA-MC5500 - Page 17

Onkyo PA-MC5500
20 pages
To Next Page IconTo Next Page
To Next Page IconTo Next Page
To Previous Page IconTo Previous Page
To Previous Page IconTo Previous Page
Loading...
17
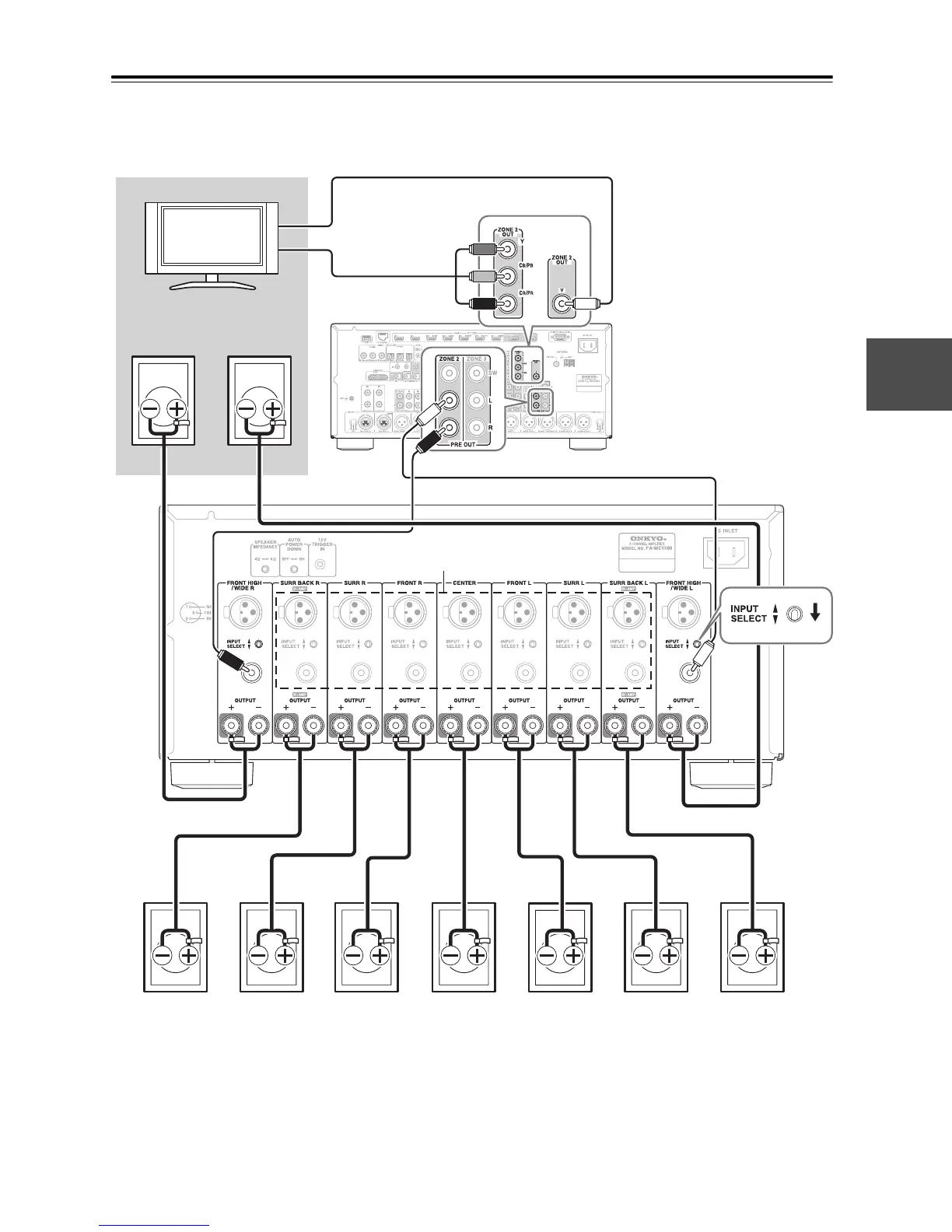
Connecting the Amplifier—Continued
Connection 2
Main room: You can enjoy up to 7-channel surround-sound playback.
Zone 2: You can enjoy 2-channel stereo playback and video playback.
Zone 2
Make either connection.
AV controller
The amplifier
Surround right
speaker
Front right
speaker
Center speaker Front left
speaker
Surround left
speaker
Main room
Front right
speaker
Front left
speaker
Surround back
right speaker
Surround back
left speaker
See page 13 or 14 for the connection.

Other manuals for Onkyo PA-MC5500

Related product manuals