EasyManua.ls Logo

Opel 1973 - Page 46

Opel 1973
68 pages
Print Icon
To Next Page IconTo Next Page
To Next Page IconTo Next Page
To Previous Page IconTo Previous Page
To Previous Page IconTo Previous Page
Loading...
6E. 46 1973
OPEL SERVICE
MANUAL
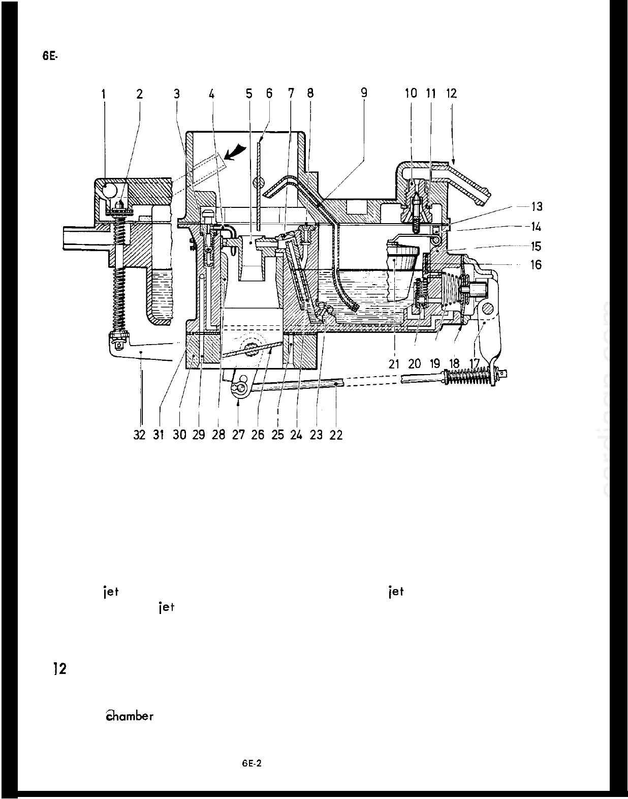
Sectional View Of Carburetor
1
Carburetor cover
2 Vent valve
3 Ball valve (pressure valve)
4 Injection tube
5 Primary venturi
6 Choke valve
7 Vent
iet
8 Air correction
iet
9 Enrichment
10 Float needle valve
11 Float needle valve seal ring
12 Fuel line connecting tube
13 Carburetor cover gasket
14 Leaf spring
15 Float
&amber
16 Pressure reduction valve
17 Pump lever
18 Diaphragm
19 D iophragm spring
20 Ball valve (suction valve)
21 Float
22 Pump connecting rod
23 Metering
iet
24Emulsion tube
25 Bore without function
26 Throttle valve
27 Intermediate lever
28 Main venturl
29 Vacuum passage for automatic choke
30 Throttle valve body
31 Gasket
32 Vent valve lever
Figure 6E-2 Sectional View of Carburetor
cardiagn.com

Related product manuals