EasyManua.ls Logo

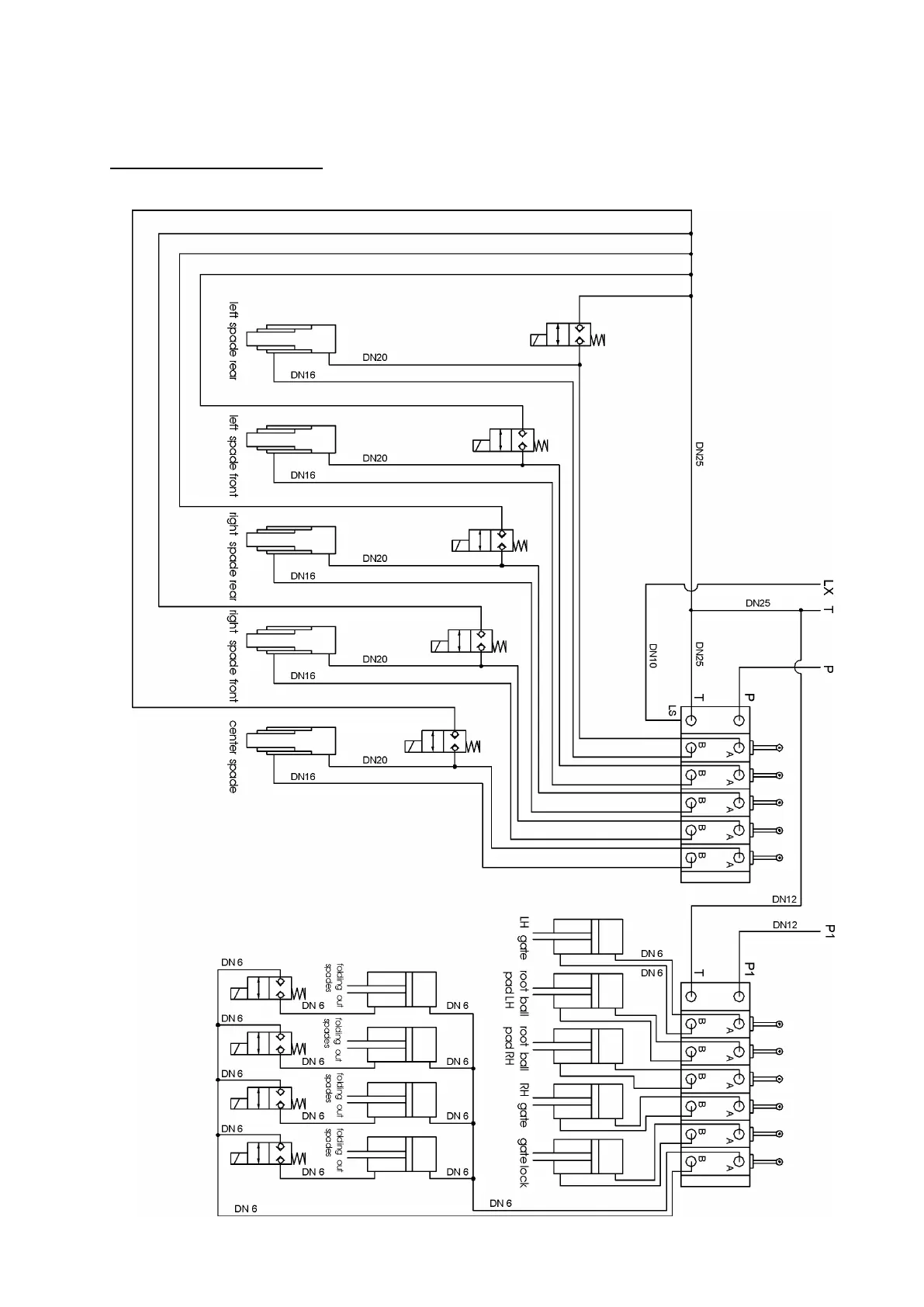
Optimal 2500 - 6. Hydraulic System

Default Icon
21 pages
Print Icon
To Next Page IconTo Next Page
To Next Page IconTo Next Page
To Previous Page IconTo Previous Page
To Previous Page IconTo Previous Page
Loading...
- 17 -
6. Hydraulic System 1