EasyManua.ls Logo

Orbit Max2 - Page 9

Orbit Max2
22 pages
Print Icon
To Next Page IconTo Next Page
To Next Page IconTo Next Page
To Previous Page IconTo Previous Page
To Previous Page IconTo Previous Page
Loading...
8
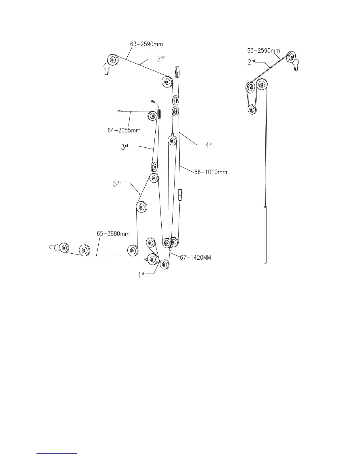
8. Wire circling way:
Cables to be installed in order cable (67) first, cable (63) second, cable (64) third, cable (66) fourth
and cable (65) last. View following 5 pages for figure diagrams.

Related product manuals