EasyManua.ls Logo

PAC BCI-CH21 - Page 6

PAC BCI-CH21
6 pages
Print Icon
To Previous Page IconTo Previous Page
To Previous Page IconTo Previous Page
Loading...
PAC
®
| Ph. 866-931-8021 | support@pac-audio.com
©2016 Pacic Accessory Corporation
www.pac-audio.com
Rev. 090916
Page 6
Reverse Camera Input and Navigation Unlock
Interface for Chrysler / Dodge / Jeep Vehicles
Pacific Accessory Corporation
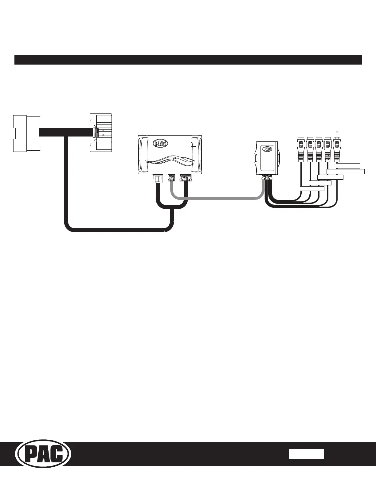
BCI-CH21
VIDEO OUTPUT
REVERSE CAMERA INPUT
FRONT CAMERA
LEFT CAMERA
RIGHT CAMERA
BCI-CH21-HAR
BCI-CH21
VS41
To Radio
To Vehicle
Harness
BCI-CH21 and VS41 connections overview
Using a VS41 along with the BCI-CH21 will provide 4 camera inputs, with CAN-Bus data controlled switching.
In this conguration, there is no need to manually wire the input triggers on the VS41. Simply connect your camera
leads into the video inputs on the VS41, and connect the 10-pin harness into the Expansion Port on the BCI-CH21.
When the appropriate CAN-Bus signals are detected (ie. reverse, or turn signal) the corresponding camera input will be
automatically selected, and it’s video feed will be routed to the factory radio display.
Data controlled camera
switching cable (10-pin)
DISCLAIMER: Under no circumstances shall the manufacture or the distributors of the BCI-CH21 be held liable for claims of any
loss or damage, consequential, direct or indirect, arising from the sale, installation, or use of the BCI-CH21. The manufacture
and its distributors will not, nor will they authorize any representative or any other individual, to assume obligation or liability in
relation to the BCI-CH21 other than its replacement.
AGREEMENT: End user agrees to use this product in compliance with the instructions and terms of use above and with all State
and Federal laws. PAC provides instructions and safety warnings with respect to this product and disclaims all liability for any use
not in conformity with those instructions or other misuse of its product. If you do not agree, please discontinue use immediately
and return product to place of purchase. This product is intended for off-road use and passenger use only.

Other manuals for PAC BCI-CH21