EasyManua.ls Logo

PAC SR-GM14H - Wiring Overview

PAC SR-GM14H
17 pages
Print Icon
To Next Page IconTo Next Page
To Next Page IconTo Next Page
To Previous Page IconTo Previous Page
To Previous Page IconTo Previous Page
Loading...
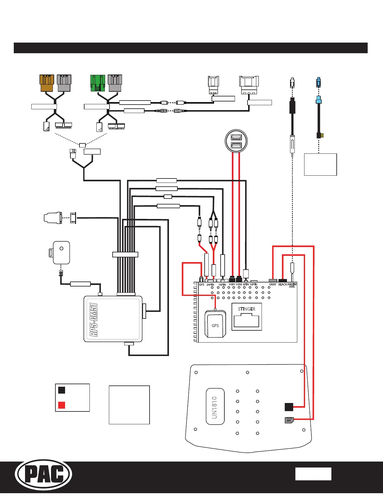
Stinger HEIGH10 Radio Replacement Kit
for select 2014-2019 Silverado/Sierra Truck
SR-GM14H
© 2020 AAMP Global. All rights reserved. PAC is a Power Brand of AAMP Global.
Pacific Accessory Corporation
Page 2
Rev: V1
Date: 030121
®
®
GPS
UN1810
USB1
USB2
STINGER
BLACK
GRAY
10PIN6PIN
24PIN 16PINGPS
AM/FM
ANT.
Stinger
Connection
Main Harness
Connection
Connections shown are
all required for full
functionality of the kit
and radio. If adding
additional components,
additional connections
will be needed.
Connects to
SXV300 Satellite
Radio Tuner
(sold separately)
REVERSE CAM
A/V IN
RPA-VA1
REVERSE CAM
AUX
16PIN RADIO
16PIN RADIO
6PIN RADIO
SWI
CAM GM51 INPUT
SWC INPUT
CMX
chime module
OR
SR-GM14H-HAR-B
SR-GM14H-HAR-A
SR-GM14H-HAR-B
CAM-GM51-HAR
GM5LIN-SW-HAR
CMX CHIME
RP5-GM51
Wiring Overview

Related product manuals