EasyManua.ls Logo

Pacbrake Inline Mount - Page 12

Default Icon
17 pages
Print Icon
To Next Page IconTo Next Page
To Next Page IconTo Next Page
To Previous Page IconTo Previous Page
To Previous Page IconTo Previous Page
Loading...
INLINE MOUNT Exhaust Brakes
INSTALLATION MANUAL - L2031
PG. 12
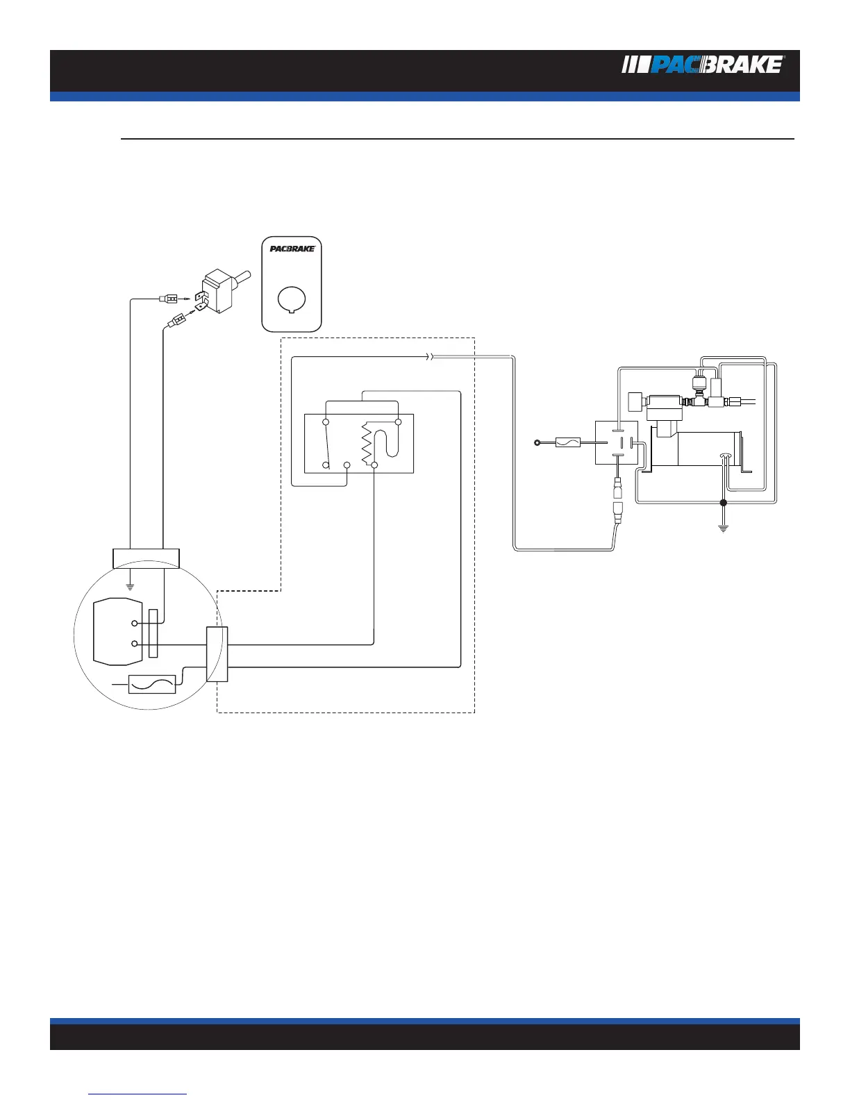
NAVPAC EXHAUST BRAKE WIRING SCHEMATIC
INTERNATIONAL 444E NAVPAK SYSTEMS
For vehicles: (WITHOUT) Allison WT Transmission (WITHOUT) ABS Braking (WITHOUT) On-board air supply
Pacbrake
On/Off switch
30
87
87A
85
86
94 GC
Connector 377
Pin
A
Pin
E
NavPak
ECM
Pin 15
Pin 47
10 amp
Ignition
power
Connector
372
Red
Red
Black
Pin
B
Pin
A
OFF
Exhaust
brake
Pacbrake exhaust brake relay
24A GY
24 GY
24B GY
Pacbrake
air
compressor
Red
Ground
Relay
Air Intake
Filter
87
30
87a
85
86
20 Amp
Fuse
Connect to
positive battery
terminal
NOTE:
• Pacbrake wiring kit contains toggle type switch, source Navistar rocker switch part number 1677051-C1 if desired.
The NavPak ECM requires exhaust brake circuit to be enabled by a Navistar Dealer.
• Relay shown is de-energized.
• Connector 372 located behind the left cylinder head. Remove protective cap and connect to Pacbrake harness (supplied).
• 8 Pin connector 377 located behind fuse panel.
• Information for this schematic was derived from vehicle systems at the date of this printing.
• Updates or variations by vehicle manufacturers constituting changes will not be the responsibility of Pacbrake.
• Pacbrake harness supplied in dotted area.
• Navistar installed wires in circled area.