EasyManua.ls Logo

Pacbrake Inline Mount - Page 13

Default Icon
17 pages
Print Icon
To Next Page IconTo Next Page
To Next Page IconTo Next Page
To Previous Page IconTo Previous Page
To Previous Page IconTo Previous Page
Loading...
INLINE MOUNT Exhaust Brakes
INSTALLATION MANUAL - L2031
PG. 13
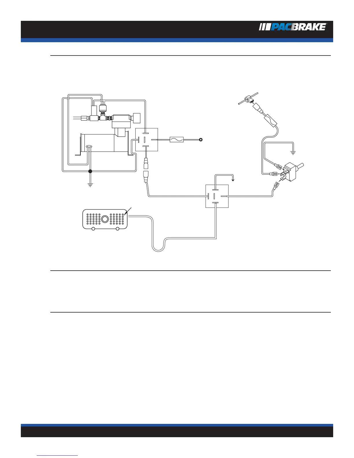
EXHAUST BRAKE WIRING SCHEMATIC
1999 to 2002 DODGE 24 Valve Electronic
Wiring Harness installation
Ground
T-tap terminal
12V ignition-on
power source
Red
Ground
Relay
Air Intake
Filter
Black
20 Amp
Fuse
10 Amp
Fuse
Black
Yellow
On/Off
Switch
Green
Relay
ECU Cummins/Dodge
12 Volt output
Throttle Signal
Pin 20
11
21
31
20
30
40
51
41 45
106
46 50
Connect to
positive battery
terminal
85
30
87a
87
86
87
30
87a
85
86
Ground
Red
Black
Green
Red
Drip
Loop
1
In a convenient location on the drivers side of the engine compartment, using the self tapping screw provided, mount the Pacbrake
relay receptacle with the green ground terminal under the screw head. Install relay.
Route the loomed yellow wire through the firewall grommet into the cab to be connected to the dash switch later.
2
ECM CONNECTION
Disconnect both negative battery cables.
Remove the two cap-screws that attach the fuel filter head to the intake manifold, this should allow enough clearance to access
the 50 pin connector.
Locate the 50 pin connector at the ECM shown above. Locate port #20 and remove the sealing plug. Be careful not to push the
plug in.
Insert the black wire of the Pacbrake harness into pin #20 until it stops, then pull gently to ensure the terminal is locked in place.
Using the plastic ties supplied, secure the Pacbrake harness to the Dodge main harness. Be sure to follow Drip Loop in the Dodge
harness when securing the Pacbrake harness.
Reinstall the fuel filter head to the intake manifold.