EasyManua.ls Logo

Palfinger PTV - Page 6

Palfinger PTV
48 pages
Print Icon
To Next Page IconTo Next Page
To Next Page IconTo Next Page
To Previous Page IconTo Previous Page
To Previous Page IconTo Previous Page
Loading...
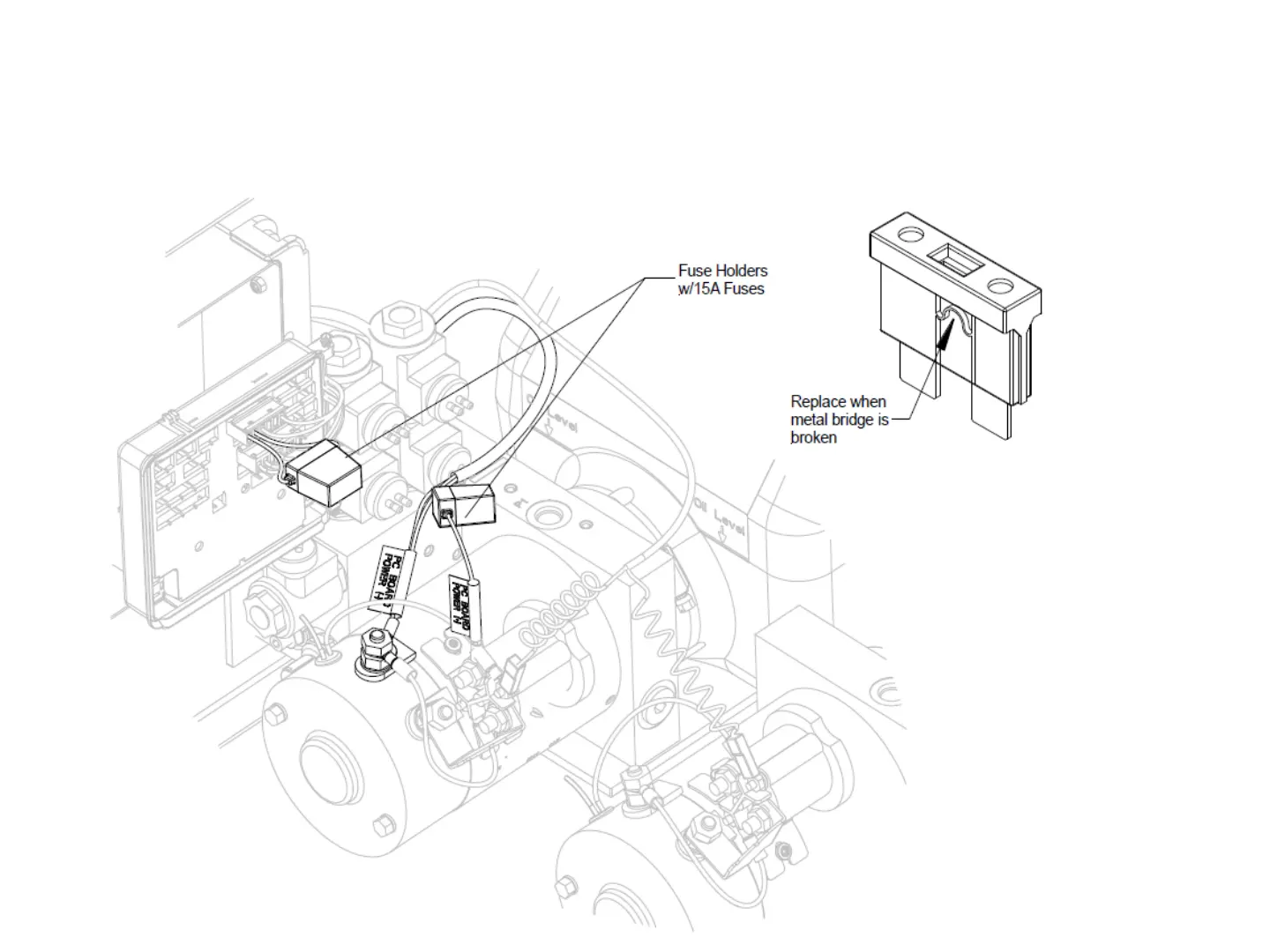
CIRCUIT BOARD POWER CONNECTIONS
6
1. #1 & #2 Black wire connect to fuse holder and supply power to Terminals #27 & #2 on J1 Plug.
2. #3 Black wire & Green/Yellow wire connect to Ground Stud on Primary Motor suppling ground to J2 Plug.
3. Fuse Holder on J2 Plug is the connection which allows Circuit Board to Select and alternate Motors.

Related product manuals