EasyManua.ls Logo

Panasonic CQ-C8405N

Panasonic CQ-C8405N
48 pages
To Next Page IconTo Next Page
To Next Page IconTo Next Page
To Previous Page IconTo Previous Page
To Previous Page IconTo Previous Page
Loading...
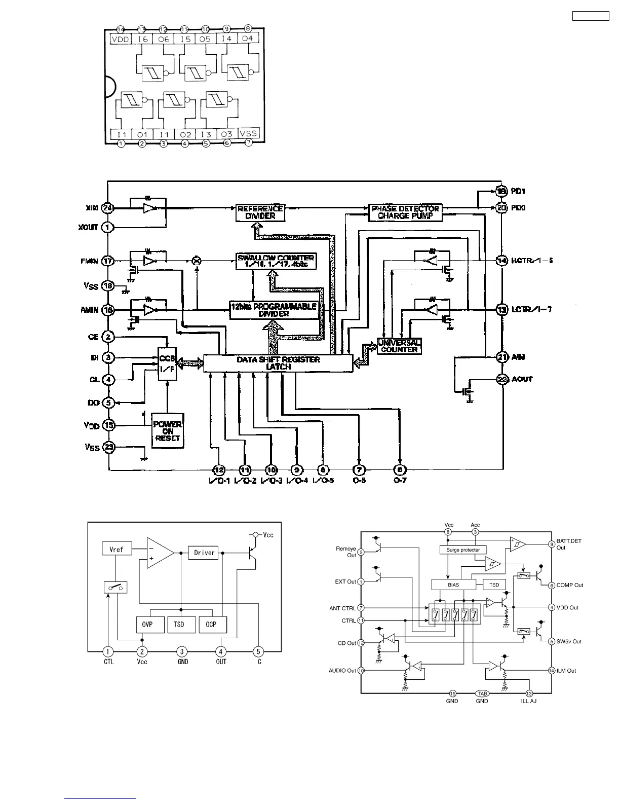
IC670 : C0JBAZ000904
IC730 : C0DAEKG00002
IC701 : C0DAZHF00004
IC401:C1BB00001045
17
CQ-C8405N

Other manuals for Panasonic CQ-C8405N

Related product manuals