EasyManua.ls Logo

Panasonic CQ-C8405N

Panasonic CQ-C8405N
48 pages
To Next Page IconTo Next Page
To Next Page IconTo Next Page
To Previous Page IconTo Previous Page
To Previous Page IconTo Previous Page
Loading...
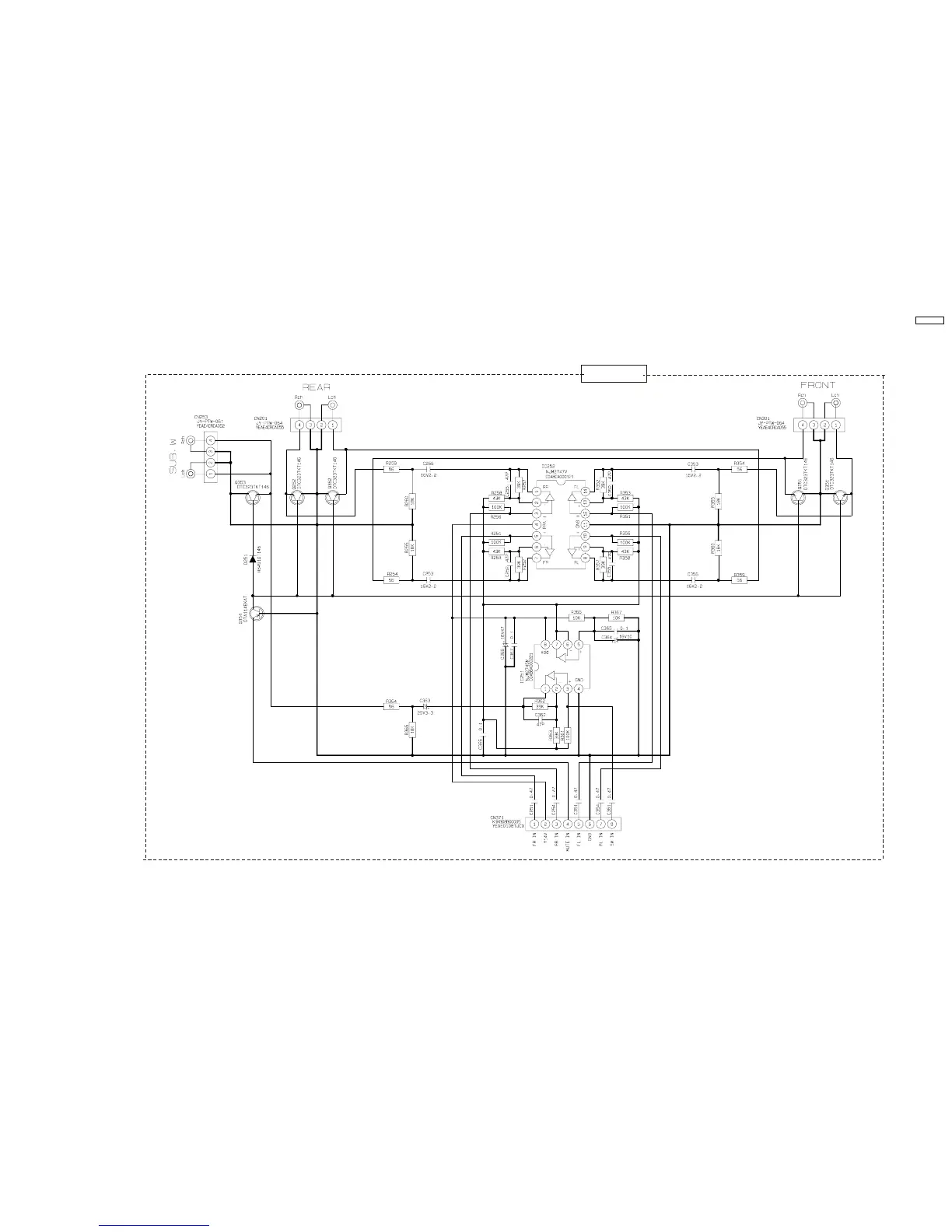
18.3. Sub Block
6.1
6.1
6.1
6.1
6.1
6.1
12.2
0
6.1
6.1
6.1
6.1
6.1
6.1
6.1
6.1
6.1
6.1
6.1
6.1
0
12.3
0
0
0
0
0
0
0
0
0
0
0
0
0
0
0
E-4C308b
CQ-C8405N MAIN_SUB BLOCK
CQ-C8405N
39

Other manuals for Panasonic CQ-C8405N

Related product manuals