EasyManua.ls Logo

Panasonic CQ-C8405N

Panasonic CQ-C8405N
48 pages
To Next Page IconTo Next Page
To Next Page IconTo Next Page
To Previous Page IconTo Previous Page
To Previous Page IconTo Previous Page
Loading...
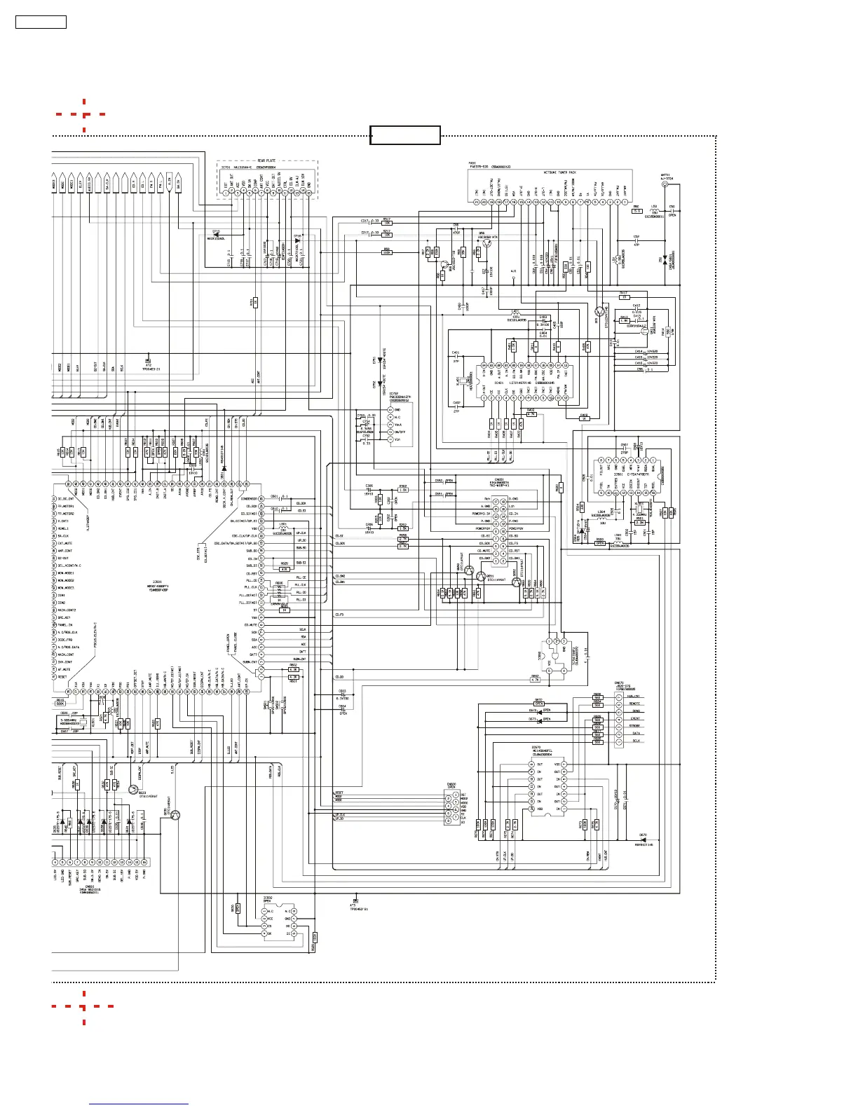
19.2. Main1 Block (Right Side)
5.3
5.3
3.5
3.5
0
4.8
0
2.2
2.4
2.4
0
2.4
2.4
2.5
2.5
0
0
4.9
5.1
0
2.5
0
1.7
1.7
0
2.5
5.1
0
0
0
0
13.4
5
5.85
5
5.3
5
14.1
9
4.8
8
9.1
0
4.6
2.4
1.8
8.8
7.5
8.8
1.5
2.2
0
1.7
3.8
0
0
3.6
0.6
6.6
0
5.1
0
5.1
5.2
2.7
5.2
0
0
5
0
5.1
0
5
3.4
0
0
3
0
0
0
5
0
0
5
5
0
0
4.2
E-4C308a
CQ-C8405N MAIN BLOCK
44
CQ-C8405N

Other manuals for Panasonic CQ-C8405N

Related product manuals