EasyManua.ls Logo

Panasonic CQC1103U - AUTO RADIO/CD DECK

Panasonic CQC1103U - AUTO RADIO/CD DECK
30 pages
To Previous Page IconTo Previous Page
To Previous Page IconTo Previous Page
Loading...
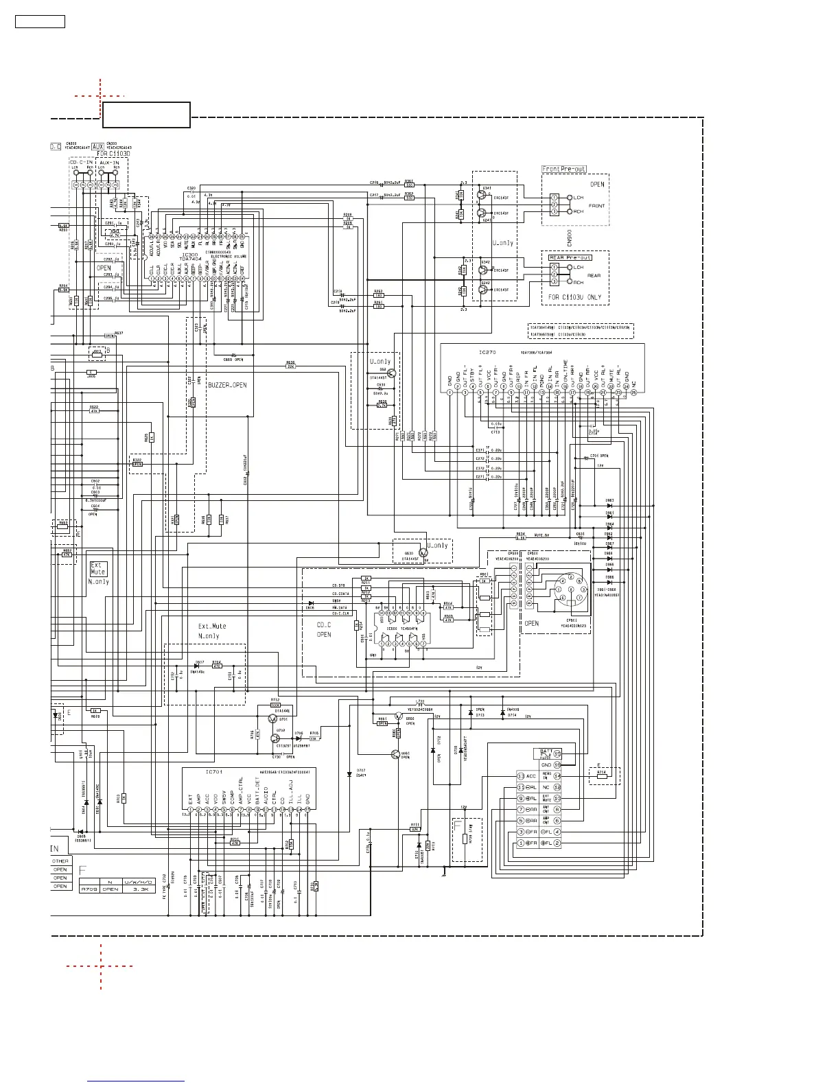
20.2. Main Block (Right Side)
E-4C290
CQ-C1003H/C1013H/C1113NE/C1113NW/C1123NE/1123NW/C1103H/C1103NE/C1103NW/C1103U/C1103W MAIN BLOCK
0.23
0
0
0.48
0
0
0.43
0
0
0
0
0.5
0
0.3
0
0
5.34
5.32
5.32
0
0
0
0.86
30
CQ-C1103U
Printed in Taiwan
2005.11

Other manuals for Panasonic CQC1103U - AUTO RADIO/CD DECK

Related product manuals