EasyManua.ls Logo

Panasonic CQC1103U - AUTO RADIO/CD DECK

Panasonic CQC1103U - AUTO RADIO/CD DECK
30 pages
To Next Page IconTo Next Page
To Next Page IconTo Next Page
To Previous Page IconTo Previous Page
To Previous Page IconTo Previous Page
Loading...
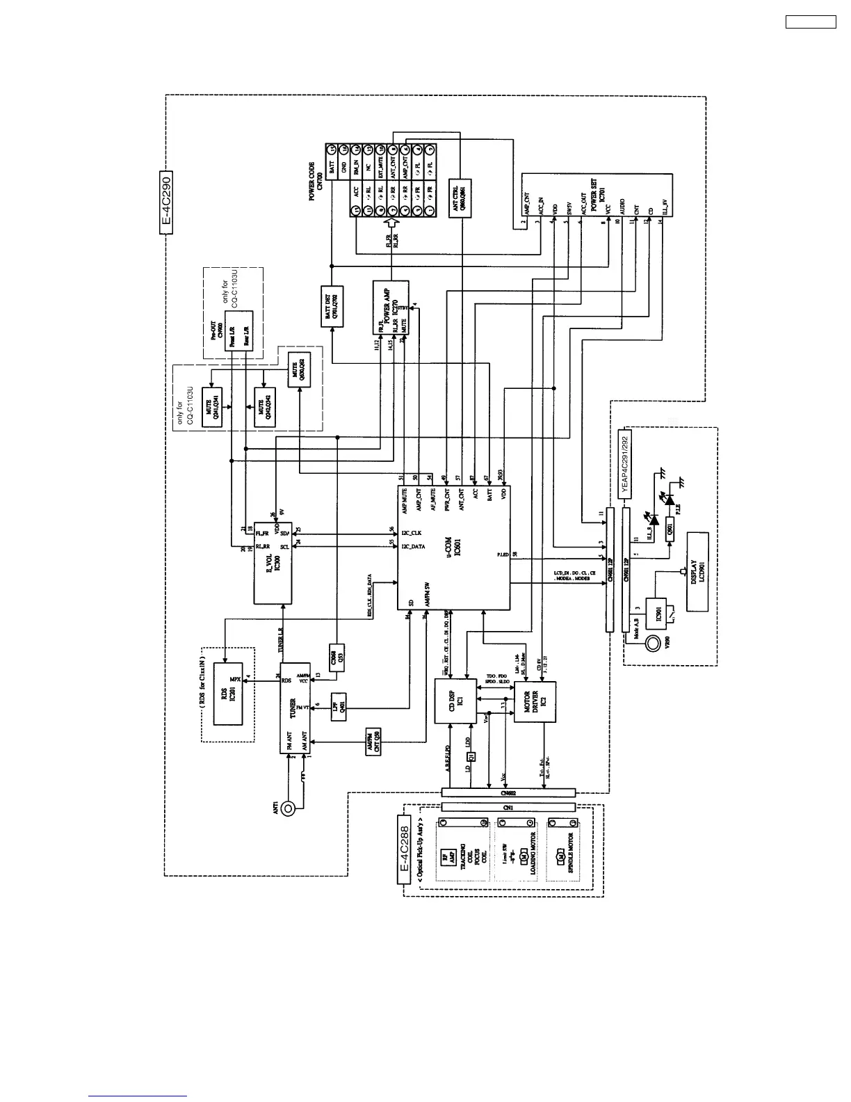
9 BLOCK DIAGRAM
5
CQ-C1103U

Other manuals for Panasonic CQC1103U - AUTO RADIO/CD DECK

Related product manuals