EasyManua.ls Logo

Panasonic CS-A24BD2P - Page 91

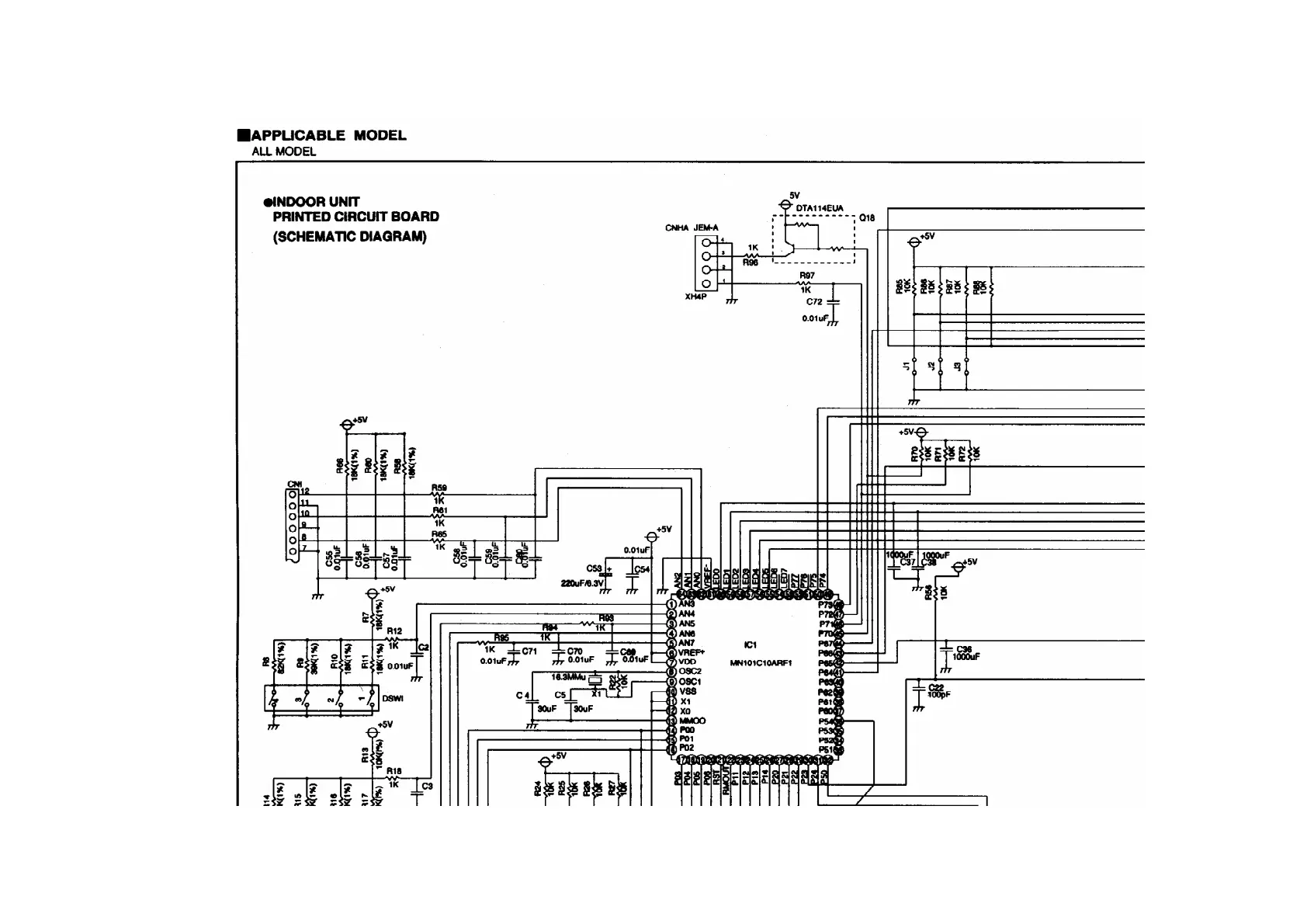
Panasonic CS-A24BD2P
324 pages
Print Icon
To Next Page IconTo Next Page
To Next Page IconTo Next Page
To Previous Page IconTo Previous Page
To Previous Page IconTo Previous Page
Loading...
91

Other manuals for Panasonic CS-A24BD2P

Related product manuals