EasyManua.ls Logo

Panasonic CS-A24BD3P - Troubleshooting Common Issues

Panasonic CS-A24BD3P
167 pages
Print Icon
To Next Page IconTo Next Page
To Next Page IconTo Next Page
To Previous Page IconTo Previous Page
To Previous Page IconTo Previous Page
Loading...
default) "01" ... Remote control unit setting
4. Press the RESERVE switch. (Be sure to press the RESERVE
switch so that normal operation mode can be resumed.)
- Repeat the procedure in steps (1) to (4) to change the setting
again.
24. TROUBLE SHOOTING
If test operation does not proceed correctly
Carry out test operation after approximately 6
hours have passed since the power was turned
on (crankcase heater is energized). If operation is
started by using the remote control within 1
minute of turning on the power, the outdoor unit
settings will not be made correctly and correct
operation will not be possible.
If the following symptoms occur after turning on the power, check the wiring connections once
more. /
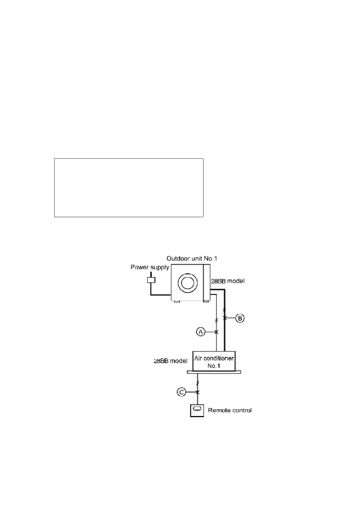
- For standard installation / (System example)
1. The main power is turned on while the indoor-outdoor
transmission wires are not connected (open circuit at section A) /
Symptom: / Remote control unit . . . CHECK flashes / NOTE: /

Related product manuals