EasyManua.ls Logo

Panasonic CS-A24BD3P - Page 45

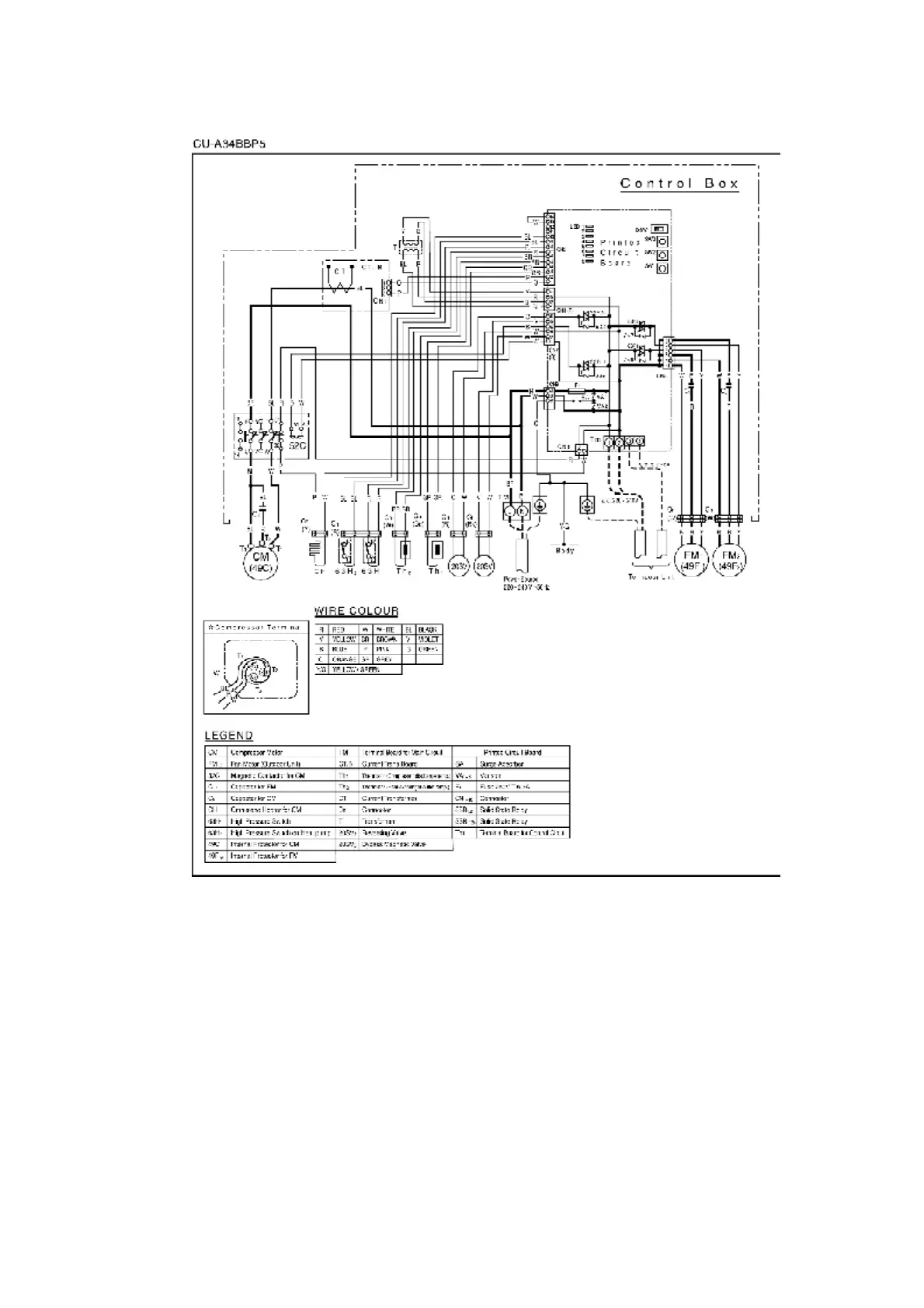
Panasonic CS-A24BD3P
167 pages
Print Icon
To Next Page IconTo Next Page
To Next Page IconTo Next Page
To Previous Page IconTo Previous Page
To Previous Page IconTo Previous Page
Loading...

Related product manuals