EasyManua.ls Logo

Panasonic CS-A24BD3P - Page 50

Panasonic CS-A24BD3P
167 pages
Print Icon
To Next Page IconTo Next Page
To Next Page IconTo Next Page
To Previous Page IconTo Previous Page
To Previous Page IconTo Previous Page
Loading...
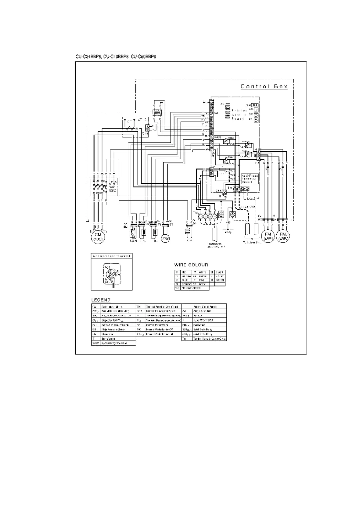
- APPLICABLE FOR ALL MODELS

Related product manuals