EasyManua.ls Logo

Panasonic CS-C18KKS

Panasonic CS-C18KKS
67 pages
To Next Page IconTo Next Page
To Next Page IconTo Next Page
To Previous Page IconTo Previous Page
To Previous Page IconTo Previous Page
Loading...
14
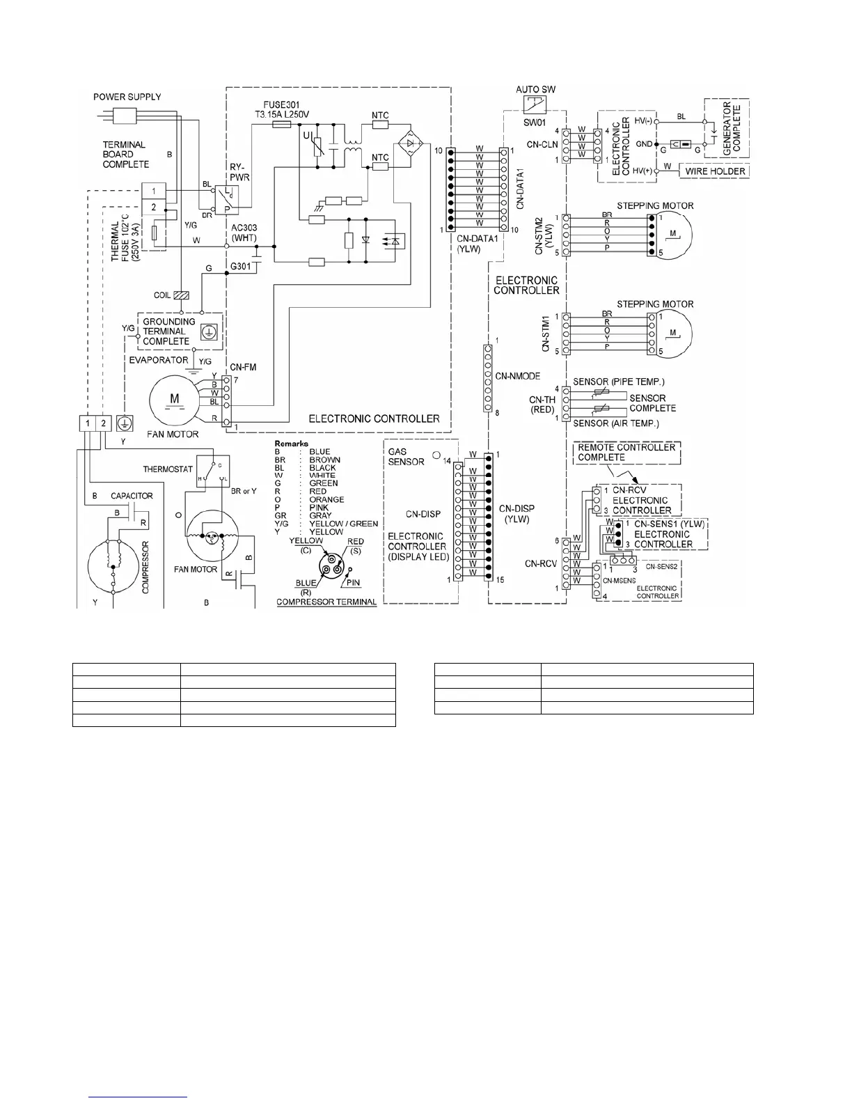
8.2 CS-C24KKS CU-C24KKS
Resistance of Outdoor Fan Motor Windings
Resistance of Compressor Windings
MODEL CU-C24KKS MODEL CU-C24KKS
CONNECTION CWA951399J CONNECTION 2J39S236A1A
YELLOW-BLUE 59.47 C-R 0.933
YELLOW-ORANGE 80.58 C-S 1.584
YELLOW-RED 60.95 Note: Resistance at 20°C of ambient temperature.
Note: Resistance at 20°C of ambient temperature.

Table of Contents

Other manuals for Panasonic CS-C18KKS

Related product manuals