EasyManua.ls Logo

Panasonic CS-E12DKRW - 7 Block Diagram

Panasonic CS-E12DKRW
200 pages
Print Icon
To Next Page IconTo Next Page
To Next Page IconTo Next Page
To Previous Page IconTo Previous Page
To Previous Page IconTo Previous Page
Loading...
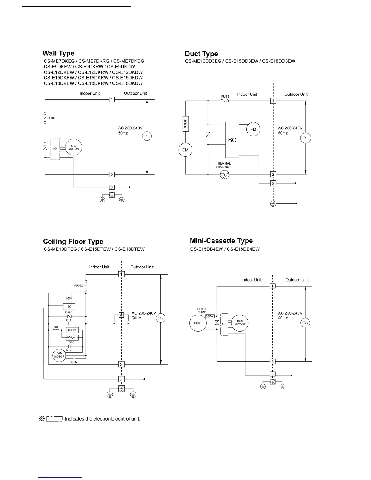
7 Block Diagram
32
CS-ME7DKEG CS-ME10DD3 EG / CS-ME10DTEG CS-E15DB4EW

Table of Contents

Other manuals for Panasonic CS-E12DKRW

Related product manuals