EasyManua.ls Logo

Panasonic CS-E12LKEW - Page 50

Panasonic CS-E12LKEW
185 pages
Print Icon
To Next Page IconTo Next Page
To Next Page IconTo Next Page
To Previous Page IconTo Previous Page
To Previous Page IconTo Previous Page
Loading...
50
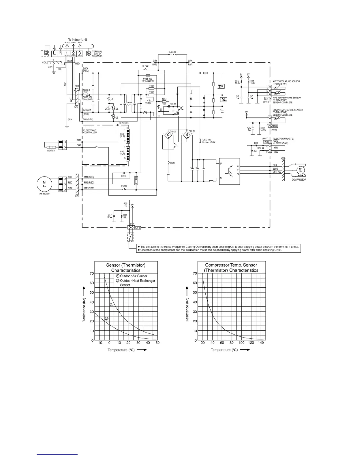
9.2.3. CU-E7LKE-3 CU-E9LKE-3 CU-E12LKE-3

Table of Contents

Other manuals for Panasonic CS-E12LKEW

Related product manuals