EasyManua.ls Logo

Panasonic CS-E12PKDW - Page 15

Panasonic CS-E12PKDW
46 pages
Print Icon
To Next Page IconTo Next Page
To Next Page IconTo Next Page
To Previous Page IconTo Previous Page
To Previous Page IconTo Previous Page
Loading...
15
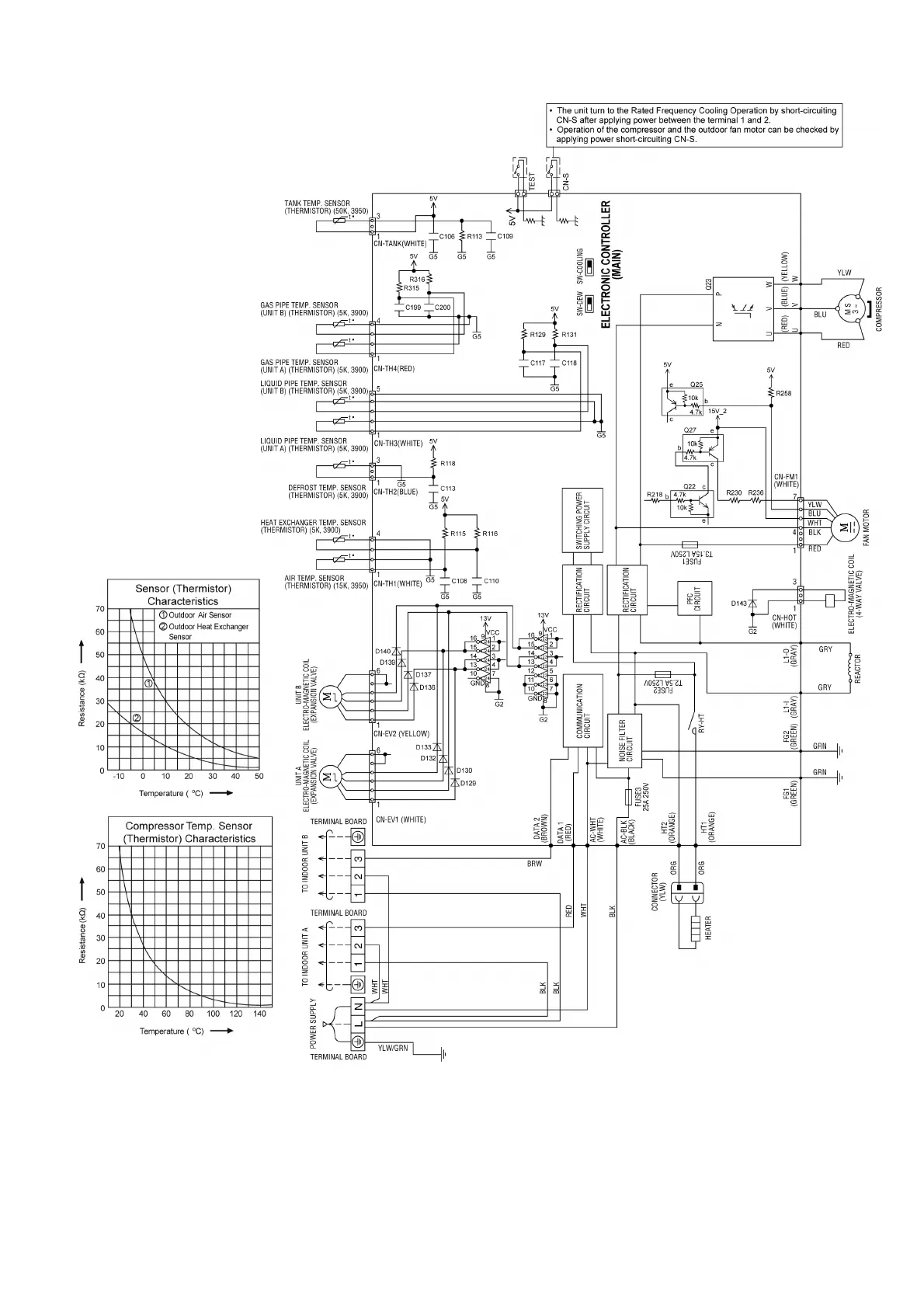
7. Electronic Circuit Diagram

Other manuals for Panasonic CS-E12PKDW

Related product manuals