EasyManua.ls Logo

Panasonic CS-PS18PKV

Panasonic CS-PS18PKV
116 pages
To Next Page IconTo Next Page
To Next Page IconTo Next Page
To Previous Page IconTo Previous Page
To Previous Page IconTo Previous Page
Loading...
30
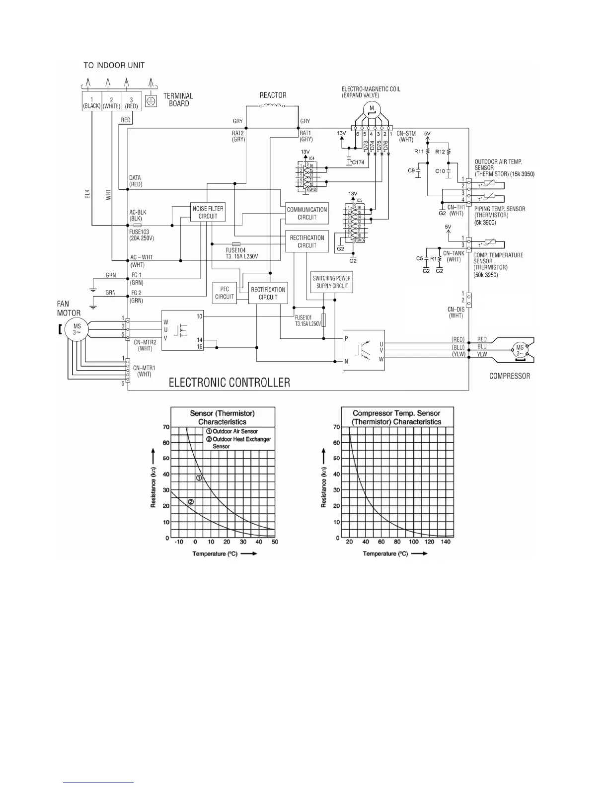
8.2.3 CU-PS18PKV

Table of Contents

Related product manuals