EasyManua.ls Logo

Panasonic CS-XZ25XKEW - Page 39

Panasonic CS-XZ25XKEW
198 pages
To Next Page IconTo Next Page
To Next Page IconTo Next Page
To Previous Page IconTo Previous Page
To Previous Page IconTo Previous Page
Loading...
39
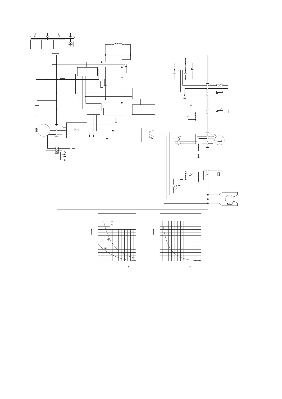
10.2.2 CU-Z35XKE CU-Z42XKE
TO INDOOR UNIT
REACTOR
BLK
WHT
RED
NOISE FILTER
CIRCUIT
DATA
(RED)
AC-BLK
(BLK)
AC-WHT
(WHT)
FG1
(GRN)
FG2
(GRN)
1
1
3
5
3
W
10
14
16
IC19
V
U
CN-MTR2
(WHT)
CN-MTR1
(RED)
PFC
CIRCUIT
RECTIFICATION
CIRCUIT
RECTIFICATION
CIRCUIT
COMMUNICATION
CIRCUIT
SWITCHING
POWER
SUPPLY CIRCUIT
FUSE 1
(20A 250V)
FUSE 6
(20A 250V)
FUSE 8
T3.15A
L250V
FUSE 3
T3.15A L250V
FUSE 5
(20A 250V)
FAN
MOTOR
GRN
GRN
S1 2 3
TERMINAL
BOARD
CN–TH1
(WHT)
CN–TANK
(WHT)
CN–STM1
(WHT)
RED
BLU
YLW
U (RED)
V (BLU)
W (YLW)
U
V
W
1
4
1
3
1
6
P
N
Q1
OUTDOOR AIR TEMP. SENSOR (THERMISTOR)
PIPING TEMP. SENSOR (THERMISTOR)
COMPRESSOR TEMP. SENSOR (THERMISTOR)
CN–HOT
(WHT)
1
3
YLW
YLW
ELECTRO-MAGNETIC COIL
(4-WAY VALVE)
ELECTRO-MAGNETIC COIL
(EXPANSION VALVE)
COMPRESSOR
MS
3~
ELECTRONIC CONTROLLER
MS
3~
RAT2
(GRY)
GRY
RAT1
(GRY)
GRY
M
5V
C98
470u
10V
KY
G5
G5
G5
C10
1u
10V
B1
R22
15k
1%
R21
15.8k
1%
C9
1u
10V
B1
5V
G5
C99
1u
10V
B1
R28
4.99k
1%
15V
*IC8
13
14
15
16
4
3
2
1
COM
GND
9
8
*IC8
G4A
G4A
*D57
16V
*Q55
*R143
*R105
C
E
B
4.7k
10k
G5
D
S
G
AK
5V
G5
C401
0.1u
25V
B1
G6
C414
0.01u
50V
B1
R403
1k
Sensor (Thermistor)
Characteristics
70
60
50
40
30
20
10
0
-10 0 10
Temperature (
o
C)
Resistance (kΩ)
20 30 40 50
Outdoor Air Sensor
Outdoor Heat Exchanger
Sensor
Compressor Temp. Sensor
(Thermistor) Characteristics
70
60
50
40
30
20
10
0
20 40 60
Temperature (
o
C)
Resistance (kΩ)
80 100 120 140

Table of Contents

Other manuals for Panasonic CS-XZ25XKEW

Related product manuals