EasyManua.ls Logo

Panasonic CU-A43BBP8 - Page 98

Panasonic CU-A43BBP8
324 pages
Print Icon
To Next Page IconTo Next Page
To Next Page IconTo Next Page
To Previous Page IconTo Previous Page
To Previous Page IconTo Previous Page
Loading...
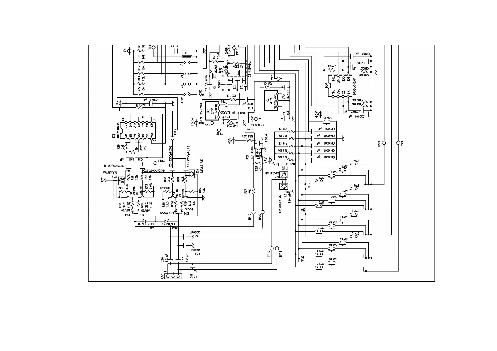
7. OPERATING INSTRUCTION
98

Other manuals for Panasonic CU-A43BBP8

Related product manuals