EasyManua.ls Logo

Panasonic CU-A50BBP8 - Page 91

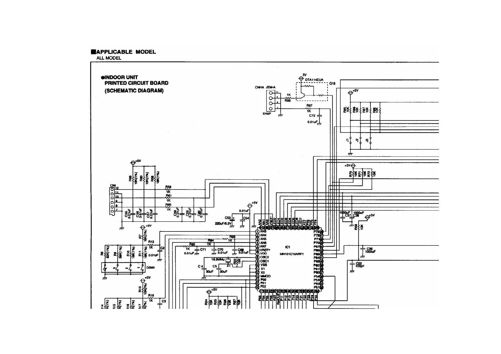
Panasonic CU-A50BBP8
324 pages
Print Icon
To Next Page IconTo Next Page
To Next Page IconTo Next Page
To Previous Page IconTo Previous Page
To Previous Page IconTo Previous Page
Loading...
91

Other manuals for Panasonic CU-A50BBP8

Related product manuals