EasyManua.ls Logo

Panasonic CU-A9CKP5 - Page 20

Panasonic CU-A9CKP5
90 pages
Print Icon
To Next Page IconTo Next Page
To Next Page IconTo Next Page
To Previous Page IconTo Previous Page
To Previous Page IconTo Previous Page
Loading...
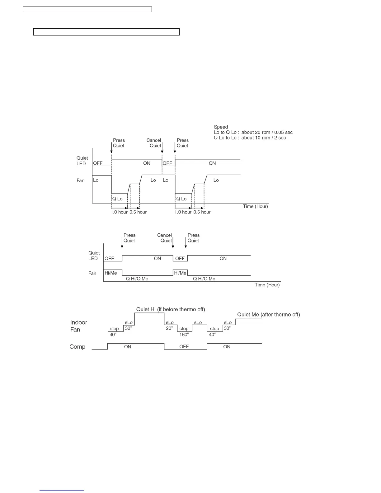
Quiet Operation Control
(For Cooling Mode or cooling region of Soft Dry Mode)
Purpose of this operation is to provide quite cooling operation compare to normal operation.
When the Quiet Mode is set at the remote control, Quiet Mode LED illuminates, the sound level will be automatically decreased
2 dB (Lo), decreased 3 dB (Hi, Me), against the present sound level operation.
Quiet setting of fan speed rpm refer to Indoor Fan Speed Control.
Dew formation become severe at Quiet Lo cool, therefore Quiet Lo cool is operated only 1h 30 min (1h QLo, 30 min QLo + 50).
After that, it goes back to Lo cool (However Quiet LED remains on).
Manual Airflow Direction:-
RPM control during Lo cool
RPM control during Hi & Me cool
Auto Airflow Direction:-
Quiet Mode Operation will stop if:-
Quiet mode button is pressed again.
Stopped by ON/OFF switch.
Timer OFF activates.
Powerful mode button is pressed.
When change mode to Air Circulation mode.
20
CS-A7CKP CU-A7CKP5 / CS-A9CKP CU-A9CKP5 / CS-A12CKP CU-A12CKP5