EasyManua.ls Logo

Panasonic CU-PA12DKD - Page 16

Panasonic CU-PA12DKD
63 pages
Print Icon
To Next Page IconTo Next Page
To Next Page IconTo Next Page
To Previous Page IconTo Previous Page
To Previous Page IconTo Previous Page
Loading...
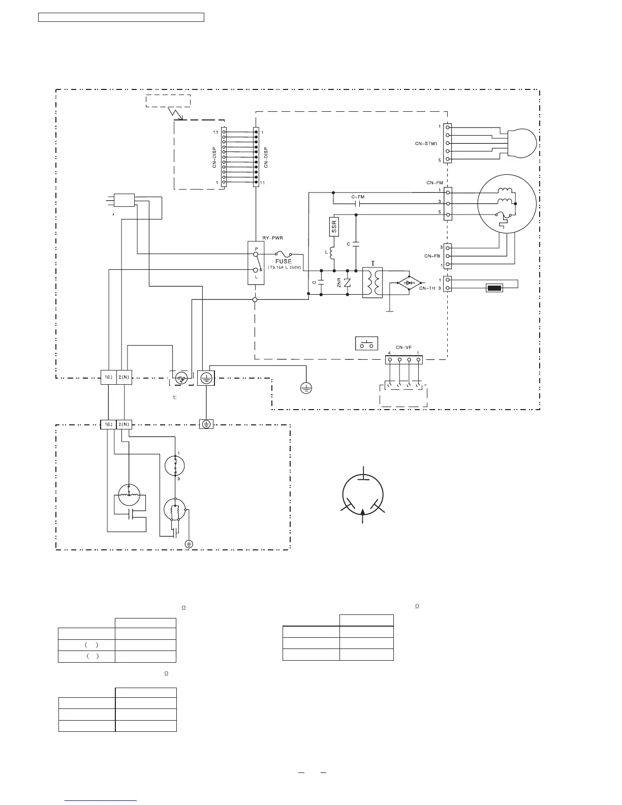
CS-PC12DKD/CU-PC12DKD
16
CS-PC12DKD / CU-PC12DKD / CS-PA12DKD / CU-PA12DKD
Wireless
Remote Control
Indicator
Complete
W
W
W
W
W
W
W
W
W
W
W
ELECTRONIC CONTROLLER
BR
R
O
Y
P
B
R
Y
W
BR
BL
SENSOR(PIPING TEMP.)
AUTO SWITCH
B
Y/G
W
AC(WHT)
THERMAL FUSE
102 (250V 3A)
Y/G
VENTILATION SIGNAL
TRANSMITTER(PURCHASE
ON SELECTION)
INDOOR UNIT
OUTDOOR
UNIT
STEPPING
MOTOR
FAN MOTOR
O.L.P
Y
Y
FAN
MOTOR
B
R
CAPACOTOR
COMPRESSOR
B
B
R
Y/G
Y
CAPACOTOR
COMPRESSOR TERMINAL
YELLOW
RED
S
BLUE
R
C
TRADE MARK
R : RED
BL : BLACK
B : BLUE
BR : BROWN
O : ORANGE
GRY : GREY
G : GREEN
Y : YELLOW
W : WHITE
Y/G : YELLOW/GREEN
P : PINK
POWER SUPPLY
CORD
POWER SUPPLY
CORD
AC 220V/230V 50Hz
AC 220V/230V 50Hz
C-R
C-S
INDOOR FAN MOTOR RESISTANCE( )
CONNECTING
Y-B M
Y-R A
CS-PC12DKD
CWA921098
COMPRESSOR RESISTANCE( )
CONNECTING
CWB092281
2.803
4.420
CU-PC21DKD
CWA951423
Y-B
Y-R
OUTDOOR FAN MOTOR RESISTANCE( )
CONNECTING
272
248
CU-PC21DKD
324
290.5

Related product manuals