EasyManua.ls Logo

Panasonic CU-PA12DKD - Wiring Diagrams

Panasonic CU-PA12DKD
63 pages
Print Icon
To Next Page IconTo Next Page
To Next Page IconTo Next Page
To Previous Page IconTo Previous Page
To Previous Page IconTo Previous Page
Loading...
CS-PA12DKD/CU-PA12DKD
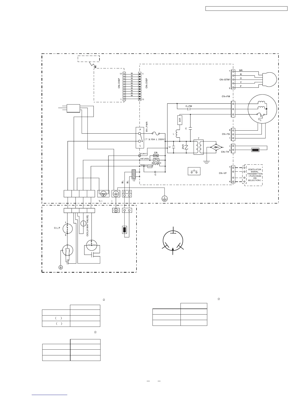
7 Wiring Diagram
15
CS-PC12DKD / CU-PC12DKD / CS-PA12DKD / CU-PA12DKD
COMPRESSOR TERMINAL
BR
BL
W
R
B
B
Y/G
INDOOR UNIT
TERMINAL BOARD
FUSE
102 250V 3A
YW
B
B
B
Y
Y
R
Y/G
CAPACITOR
CAPACITOR
R
COMPRESSOR
FAN MOTOR
SENSOR(PIPING TEMP.)
Y/G
FUSE
ELECTRONIC CONTROLLER
1
3
5
B
R
Y
W
BR
BL
SENSOR(PIPING TEMP.)
INDOOR UNIT
POWER SUPPLY
CORD
POWER SUPPLY
CORD
AC 220V/230V, 50Hz
AC 220V/230V, 50Hz
STEPPING
MOTOR
OUTDOOR UNIT
TERMINAL BOARD
1(L) 2(N) 3 4
1(L) 2(N) 3 4
OUTDOOR UNIT
R : RED
BL : BLACK
B : BLUE
BR : BROWN
O : ORANGE
GRY : GREY
G : GREEN
Y : YELLOW
W : WHITE
Y/G : YELLOW/GREEN
P : PINK
YELLOW
RED
S
BLUE
R
C
TRADE MARK
AUTO SWITCH
FAN MOTOR
Indicator
Complete
Wireless
Remote Control
C-R
C-S
INDOOR FAN MOTOR RESISTANCE( )
CONNECTING
Y-B M
Y-R A
CS-PA12DKD
CWA921098
324
290.5
COMPRESSOR RESISTANCE( )
CONNECTING
CWB092281
2.803
4.420
CU-PA21DKD
CWA951440
Y-B
Y-R
OUTDOOR FAN MOTOR RESISTANCE( )
CONNECTING
272
248
CU-PA21DKD

Related product manuals