EasyManua.ls Logo

Panasonic CU-PC18QKH - 7 Block Diagram; Cs-Pc9 Qkh Cu-Pc9 Qkh Cs-Pc12 Qkh Cu-Pc12 Qkh Cs-Pc18 Qkh Cu-Pc18 Qkh

Panasonic CU-PC18QKH
115 pages
To Next Page IconTo Next Page
To Next Page IconTo Next Page
To Previous Page IconTo Previous Page
To Previous Page IconTo Previous Page
Loading...
22
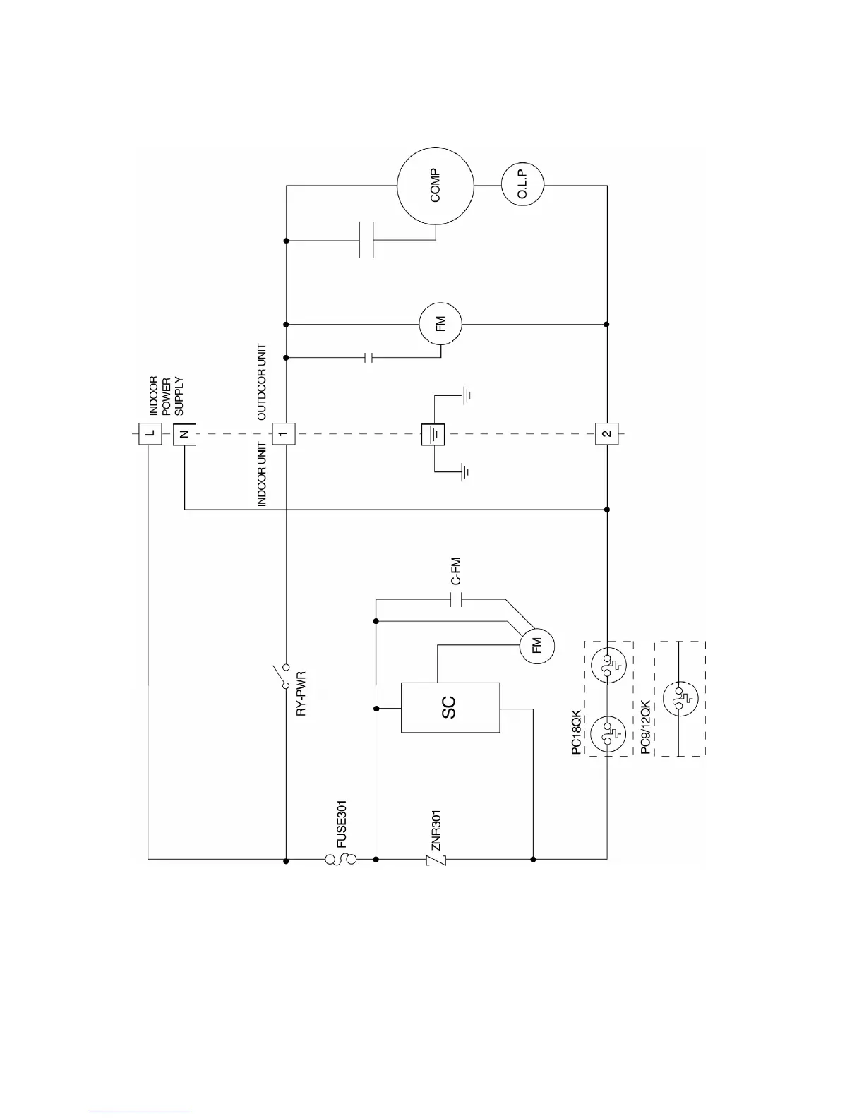
7. Block Diagram
7.1 CS-PC9QKH CU-PC9QKH CS-PC12QKH CU-PC12QKH
CS-PC18QKH CU-PC18QKH

Table of Contents

Other manuals for Panasonic CU-PC18QKH

Related product manuals