EasyManua.ls Logo

Panasonic CU-PC24HKF - 7 Block Diagram

Panasonic CU-PC24HKF
61 pages
Print Icon
To Next Page IconTo Next Page
To Next Page IconTo Next Page
To Previous Page IconTo Previous Page
To Previous Page IconTo Previous Page
Loading...
15
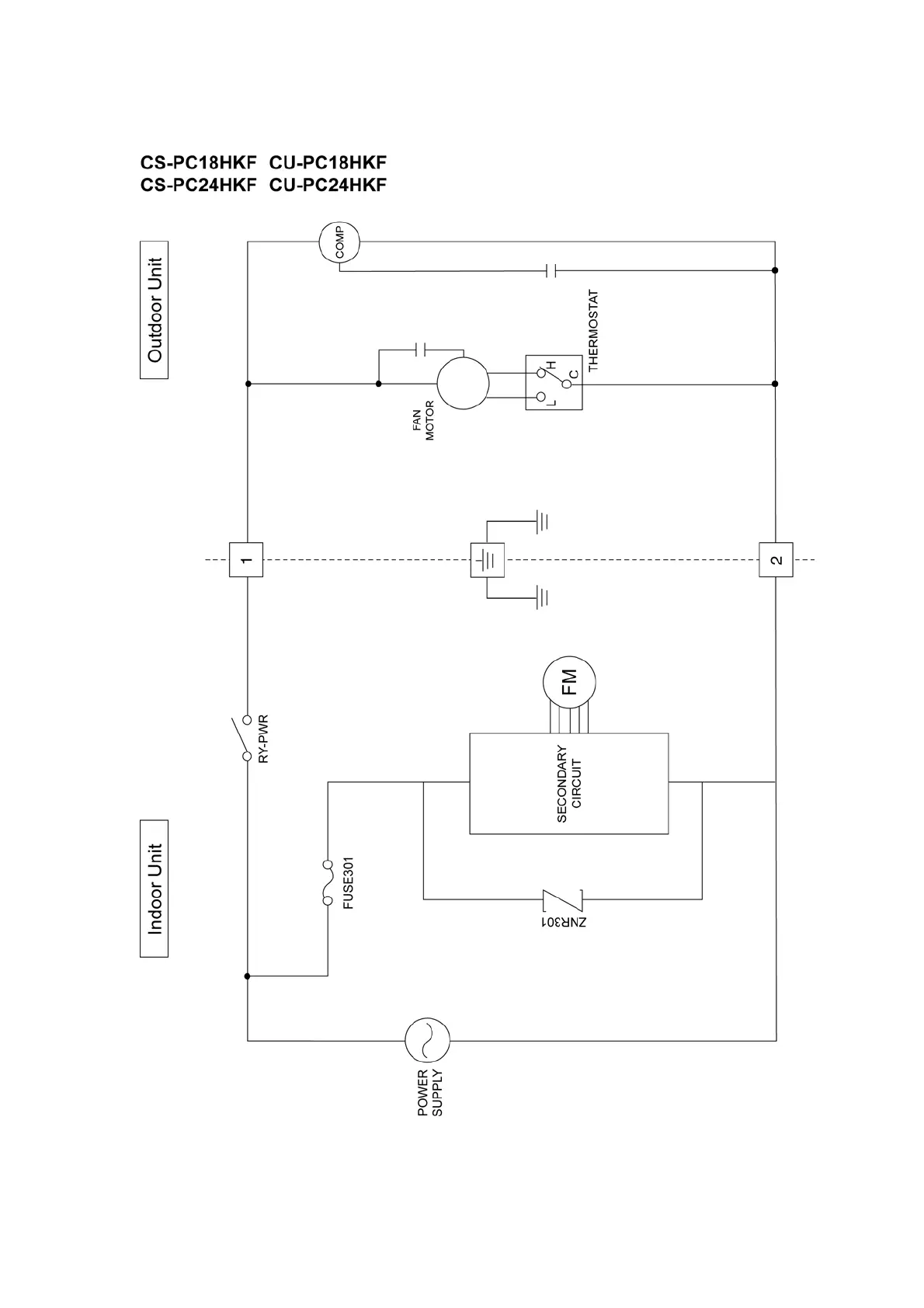
7 Block Diagram

Table of Contents

Related product manuals