EasyManua.ls Logo

Panasonic CU-W43BBP8 - 4 Èêéçéñçéâ Èìãúí Ñì; Haáaìëe Ë Ùyìíˆëfl Íaê‰Óè ˜Acúë

Panasonic CU-W43BBP8
201 pages
Print Icon
To Next Page IconTo Next Page
To Next Page IconTo Next Page
To Previous Page IconTo Previous Page
To Previous Page IconTo Previous Page
Loading...
182
RUSSIAN
4. èpÓ‚Ó‰ÌÓÈ ÔyÎ¸Ú Ñì
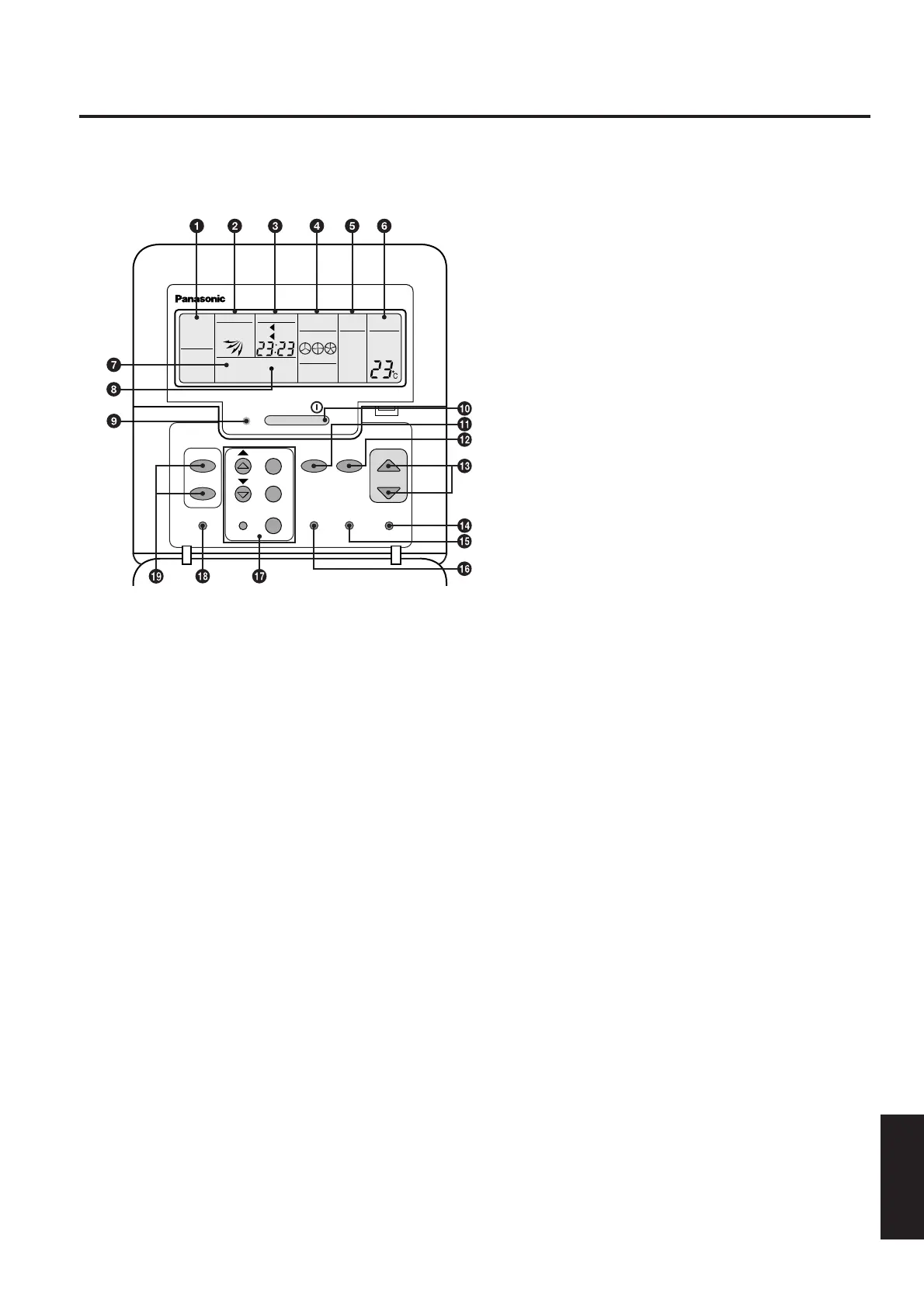
4-1 HaÁ‚aÌËe Ë ÙyÌ͈Ëfl ÍaʉÓÈ ˜acÚË
& äÌÓÔÍa A/C No. (ÌÓÏep ÍÓ̉ˈËÓÌepa)*
ùÚÓÚ ÔepeÍβ˜aÚeθ ËcÔÓθÁyeÚcfl ÔpË „pyÔÔÓ‚ÓÏ
yÔpa‚ÎeÌËË. èpË Ó·˚˜ÌÓÈ ˝ÍcÔÎyaÚaˆËË ÓÌ Ìe
ËcÔÓθÁyeÚcfl.
( äÌÓÔÍa CHECK (ÔpÓ‚epÍa)
HaÊÏËÚe ˝Úy ÍÌÓÔÍy, ecÎË ÏË„aeÚ Ë̉ËÍaÚÓp ÔpÓ‚epÍË.
(CÏ. cÚp. 194.)
) äÌÓÔÍË TIMER/CLOCK SET (Ú‡ÈÏÂ/̇ÒÚÓÈ͇ ˜‡ÒÓ‚)
(CÏ. cÚp. 184.)
~ äÌÓÔÍa TEST RUN (peÊËÏ ÔpÓ‚epÍË)*
+ äÌÓÔÍË AIR SWING (AUTO/MANUAL) (͇˜‡ÌËÂ
‚ÓÁ‰Û¯ÌÓ„Ó ÔÓÚÓ͇ (‡‚ÚÓχÚ˘ÂÒÍÓÂ/Û˜ÌÓÂ)
(CÏ. cÚp. 185.)
à̉ËÍaÚÓpÌafl ÔaÌeθ
1 REMOTE (‰ËcÚäËÓÌÌÓe)
äÌÓÔÍa OFF/ON (ÓÚÍβ˜eÌËe/‚Íβ˜eÌËe) Ìe
ÏÓÊeÚ ·˚Ú¸ ËcÔÓθÁÓ‚aÌa.
LOCAL (ÏecÚÌÓe)
MÓ„yÚ ·˚Ú¸ ËcÔÓθÁÓ‚aÌ˚ ‚ce ÙyÌ͈ËË ÔyθÚa Ñì.
2 à̉ËÍaÚÓp ycÚaÌÓ‚ÍË ÌaÔpa‚ÎeÌËfl ‚ÓÁ‰y¯ÌÓ„Ó
ÔÓÚÓÍa
3 à̉ËÍaÚÓp ÌacÚpÓÈÍË ÚaÈÏepa/˜acÓ‚
4 à̉ËÍaÚÓp cÍÓpÓcÚË ‚eÌÚËÎflÚÓpa
5 à̉ËÍaÚÓp ‚˚·Ópa peÊËÏa pa·ÓÚ˚
6 à̉ËÍaÚÓp Áa‰aÌÌÓÈ ÚeÏÔepaÚyp˚ (16°C – 31°C)
7 TEST RUN (peÊËÏ ÔpÓ‚epÍË)
ìÍaÁ˚‚aeÚ, ˜ÚÓ ycÚpÓÈcÚ‚Ó pa·ÓÚaeÚ ‚ peÊËÏe
ÔpÓ‚epÍË.
PRE HEAT (ÔÓ‰„ÓÚÓ‚Ía Í Ìa„pe‚y)
ìÍaÁ˚‚aeÚ, ˜ÚÓ ycÚpÓÈcÚ‚Ó pa·ÓÚaeÚ ‚ peÊËÏe
ÔÓ‰„ÓÚÓ‚ÍË Í Ìa„pe‚y.
DEFROST (paÁÏÓpaÊË‚aÌËe)
ìÍaÁ˚‚aeÚ, ˜ÚÓ ycÚpÓÈcÚ‚Ó pa·ÓÚaeÚ ‚ peÊËÏe
paÁÏÓpaÊË‚aÌËfl.
8 FILTER CLEAN (˜ËcÚÍa ÙËθÚpa)
(èÓfl‚ÎfleÚcfl ÔÓ ËcÚe˜eÌËË cyÏÏapÌÓ„Ó ‚peÏeÌË pa·ÓÚ˚,
pa‚ÌÓ„Ó ÔpËÏepÌÓ 2.500 ˜acaÏ.)
9 à̉ËÍaÚÓp pa·ÓÚa
ÉÓpËÚ ÍpacÌ˚Ï c‚eÚÓÏ ÔpË pa·ÓÚe ycÚpÓÈcÚ‚a.
! äÌÓÔÍa OFF/ON (ÓÚÍβ˜eÌËe/‚Íβ˜eÌËe) (cÏ. cÚp. 183.)
" äÌÓÔÍa FAN SPEED (cÍÓpÓcÚ¸ ‚eÌÚËÎflÚÓpa) (cÏ. cÚp. 183.)
# äÌÓÔÍa OPERATION (pa·ÓÚa) (cÏ. cÚp. 183.)
$ äÌÓÔÍË TEMP (UP/DOWN) (‚ÂÏÂÌ˚È ÂÊËÏ
(‚‚Âı/‚ÌËÁ)) (cÏ. cÚp. 183.)
% äÌÓÔÍa FILTER RESET (c·pÓc Ë̉ËÍaˆËË ÙËθÚpa)
HaÊÏËÚe ‰Îfl c·pÓca Ë̉ËÍaÚÓpa “FILTER CLEAN”
(˜ËcÚÍa ÙËθÚpa) ÔÓcÎe ÔpÓÏ˚‚ÍË ÙËθÚpa.
èPàMEóAHàü
O·ecÔe˜¸Úe ÌaÊaÚËe Ó‰ÌÓÈ Ôpa‚ËθÌÓ ‚˚·paÌÌÓÈ ÍÌÓÔÍË, ÔÓcÍÓθÍy Ó‰ÌÓ‚peÏeÌÌÓe ÌaÊaÚËe ÌecÍÓθÍËx ÍÌÓÔÓÍ
ÔpË‚e‰eÚ Í ÌeÔpa‚ËθÌÓÈ ÌacÚpÓÈÍe.
PacÔÓÎÓÊeÌÌ˚È ‚˚¯e pËcyÌÓÍ ÔpË‚e‰eÌ ÚÓθÍÓ ‰Îfl Ó·˙flcÌeÌËfl. BÓ ‚peÏfl peaθÌÓÈ ˝ÍcÔÎyaÚaˆËË ‚ˉ ‰ËcÔÎefl
·y‰eÚ ‰py„ËÏ.
He yÔpa‚ÎflÈÚe ÔyθÚÓÏ Ñì ÏÓÍp˚ÏË pyÍaÏË. B ÔpÓÚË‚ÌÓÏ cÎy˜ae ÏÓÊeÚ ÔpÓËÁÓÈÚË ÔÓpaÊeÌËe ˝ÎeÍÚp˘ecÍËÏ
ÚÓÍÓÏ ËÎË ÌeËcÔpa‚ÌÓcÚ¸.
He ÌaÊËÏaÈÚe ÍÌÓÔÍË ÔyθÚa Ñì ÓcÚp˚ÏË Ôpe‰ÏeÚaÏË, ÔÓcÍÓθÍy ÓÌË ÏÓ„yÚ ÔÓ‚pe‰ËÚ¸ e„Ó.
äÌÓÔÍË, ÓÚÏe˜eÌÌ˚e
*
, Ìe Úpe·y˛Úcfl ‰Îfl Ó·˚˜ÌÓÈ pa·ÓÚ˚. èpË cÎy˜aÈÌÓÏ ÌaÊaÚËË Ó‰ÌÓÈ ËÁ ˝ÚËx ÍÌÓÔÓÍ ÌaÊÏËÚe
Úy Êe caÏy˛ ÍÌÓÔÍy ÔÓ‚ÚÓpÌÓ ‰Îfl ÓÚÏeÌ˚ ÓÔepaˆËË.
èpË ‚ÓccÚaÌÓ‚ÎeÌËË ÔËÚaÌËfl ÔÓcÎe e„Ó Ëc˜eÁÌÓ‚eÌËfl ycÚpÓÈcÚ‚Ó a‚ÚÓÏaÚ˘ecÍË ÔepeÁaÔycÍaeÚcfl c ÔpeÊÌËÏË
ÌacÚpÓÈÍaÏË, cÓxpaÌeÌÌ˚ÏË ÙyÌ͈ËeÈ ÔaÏflÚË. (îyÌ͈Ëfl a‚ÚÓÏaÚ˘ecÍÓ„Ó ÔepeÁaÔycÍa)
AIR
AIR
TIMER
FAN
SPEED
OPE-
RATION
TEMP
UP
DOWN
FILTER
SELECT
SET
AUTO
MANUAL
TEST RUN
CLOCK
CANCEL
A/C No.CHECK
MANUAL
TEST
PRE
DEFROST
FILTER CLEAN
AUTO
LOCAL
REMOTE
CZ-RD51P
TIMER
ON
TEMP
ADDRESS
SET
A/C No.
MEDLO HI
AUTO
HEAT
FAN
COOL
DRY
FAN
SPEED
AUTO
OPE-
RATION
OFF
CHECK
RUN
HEAT
SWING
RESET
SWING
OFF
/
ON

Table of Contents

Other manuals for Panasonic CU-W43BBP8

Related product manuals